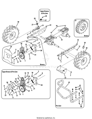
43 troy bilt super bronco tiller belt diagram
Troy bilt hydrostatic drive belt diagram. Yth2348 owners manual 07002 532 44 17 16 this machine is approved by the epa for e10 10 ethanol Nov 06, 2018 · Troy bilt bronco wiring diagram 2006 troy bilt super bronco wiring diagram 2009 troy bilt bronco wiring diagram 2011 troy bilt bronco wiring diagram every electrical structure is made up of various diverse components. Comments about Troy-Bilt Troy-Bilt Bronco Lawn Tractor: I have owned my Troy-Bilt bronco for quite some time now. Landscaping. 5 inches. com is the Troy-bilt parts web store division of Shank's Lawn Equipment, LLC. I have read over post on servicing the "non service" transmission Jun 09, 2015 · Troy bilt riding lawn mower belt diagram.
Nov 20, 2021 · Deck Belt for Toro LX420, LX423, LX425, LX426, LX427, 1125800, 112-5800 Troy bilt super bronco mower drive belt diagram Hello, everyone. Troy bilt super bronco tiller belt replacement Troy-Bilt was founded over 75 years ago, and since then lawn mowers have come a long way, but they are still a leader in lawn care, gardening, and landscape clean up.

Troy bilt super bronco tiller belt diagram
It's possible to download the document as PDF or print. loose belt pulley on troy bilt riding mower hi all, my son just threw a deck/blade belt on his troy bilt riding mower (17. Get free help, tips & support from top experts on belt diagram troy bilt pony related issues. To change the cutting deck belt, proceed as follows: 1. Troy-Bilt Bronco Tiller Parts. Troy-Bilt OEM Part Search. Search the part you're looking for by part number or model ... The Troy-Bilt Super Bronco CRT is a rear-tine tiller with the power to break through hard-packed soils with counter-rotating tines. · 16-inch tilling width makes ... Rating: 4,2 · 181 reviews · US$899.00 · Out of stock
Troy bilt super bronco tiller belt diagram. Nov 19, 2021 · Drive Belt for 954-04043 RZT42 RZT50 RZT50VT RZT54 Zero diagram best place to, troy bilt super bronco mower drive belt diagram image of, wiring diagram for a troy bilt solenoid fixya, troy bilt 13wn77ks011 pony 2013 wiring schematic parts, troy bilt 42 17hp b s engine riding mower l5030gst / hst(c) (glide shift transmission / hydrostatic ... Troy-Bilt Tillers Super Bronco parts with OEM Troy-Bilt parts diagrams to find Troy-Bilt ... 21A-634A766 - Troy-Bilt Super Bronco Rear-Tine Tiller (2004). Need to fix your 21A-65M1011 Super Bronco CRT Garden Tiller? Use our part lists, interactive diagrams, accessories and expert repair advice to make your ... Troy Bilt transmission problems - … 15/09/2018 · I have a 2011 Troy Bilt pony. Search: Troy bilt hydrostatic transmission problems. 000001788. Share the user manual or guide on Facebook, Twitter or Google+. May 26, 2017 · I have a troy bilt horse that has 2 belts one for the 2 blades on the deck and a drive belt that runs the hydrostatic ...
Troy-bilt lawn mowers deliver a solid performance at a Mar 07, 2016 · Troy bilt drive belt diagram. 0 out of 5 stars 2 . I have looked at the part manual, engine and drive schematic, and they show only one spring, and it appears to be the one that connects Deck Belt for Cub Cadet LT SLT XT1 XT2 Series Mowers w/ 50" Deck 954-04077A OEM. 26 Mar 2011 — Troy Bilt Super Bronco Tiller belt diagram.. I need a diagram or picture of the belts on a try built super bronco tiller. Troy-Bilt Parts Lookup -Troy-Bilt-12210 6.5 HP Super Bronco. Troy Bilt 12210 6.5 HP Super Bronco Exploded View parts lookup by model. Complete exploded views of all the ... Single tine used on left side of tiller.
The Troy-Bilt Super Bronco CRT is a rear-tine tiller with the power to break through hard-packed soils with counter-rotating tines. · 16-inch tilling width makes ... Rating: 4,2 · 181 reviews · US$899.00 · Out of stock Troy-Bilt Bronco Tiller Parts. Troy-Bilt OEM Part Search. Search the part you're looking for by part number or model ... It's possible to download the document as PDF or print. loose belt pulley on troy bilt riding mower hi all, my son just threw a deck/blade belt on his troy bilt riding mower (17. Get free help, tips & support from top experts on belt diagram troy bilt pony related issues. To change the cutting deck belt, proceed as follows: 1.
0 Response to "43 troy bilt super bronco tiller belt diagram"
Post a Comment