44 ship of the line diagram
Shown in purple, starting at xD on the diagonal line, move h i tlt th ilibi li dthhorizontal to the equilibrium line, and then vertically back to x-y line (see graph) ContinueprocesstowardxB,switchingthelowerContinue process toward xB, switching the lower operating line after crossing the q-line, estimating the last stage if necessary. A diagram illustrating a first and a third-rate ship of the line. This is one of the best cutaway images I have ever seen of these ships, lists every single ...
18 Dec 2014 — A Detailed, Majestic Diagram of Two British Ships of War, From an 18th-Century Encyclopedia ... such vessels were called “ships of the line.

Ship of the line diagram
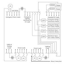
EVOlution Graphics B.V. Hilversum, The Netherlands KvK 60955899 VAT Nr. NL854134098B01 A ship of the line was a type of naval warship constructed during the Age of Sail from the ... A contemporary diagram illustrating a first- and a third-rate ship.History · Combat · Restorations and preservation · See also Line Diagrams A line (ladder) diagram is a diagram that shows the logic of an electrical circuit or system using standard symbols. A line diagram is used to show the relationship between circuits and their components but not the actual location of the components. Line diagrams provide a fast, easy understanding of the connections and
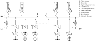
Ship of the line diagram. For example, a one-line diagram of the ship's distribution system describes the power supply and its distribution to individual loads it is also known as a ... A ship of the line was a type of naval warship constructed during the Age of Sail from the 17th century to the mid-19th century. The ship of the line was designed for the naval tactic known as the line of battle, which depended on the two columns of opposing warships maneuvering to volley fire with the cannons along their broadsides.In conflicts where opposing ships were both able to fire from ... Prologue: End of the Q-Ship Program. In the early morning hours of October 4, 1943, a dispatch from the three-masted schooner Irene Forsyte [IX-93] reported that she was hove to in approximately 38-00 N, 66-00 W; that many leaks had developed during the course of a heavy storms that her pumps were just able to keep ahead of water.The message further stated that the condition might become ... The line, L, makes an angle of 300 with the positive direction of the x-axis. Find the equation of the line perpendicular to L, passing through The equation of 1-2, the perpendicular bisector of PR is 3y+x = 25. Q (9,-2) (b) Calculate the coordinates of C, the point of intersection of Ll and 1-2. PQR is a triangle with P(3,4) and Q(9,—2). Q ...
Feb 4, 2021 - Cutaway drawings, technical illustrations, and diagrams of ships from around the web. See more ideas about ship, technical illustration, warship. A ship of the line was a type of naval warship constructed from the 17th through to the mid-19th century to take part in the naval tactic known as the line of battle, in which two columns of opposing warships would manoeuvre to bring the greatest weight of broadside guns to bear. Since these engagements were almost invariably won by the heaviest ships carrying the most powerful guns, the ... This is very important to pin point the location of any object in the diagram. – While tracing the line, draw the diagram in rough hands. Once the tracing is complete, draw it in a neat paper with approximate scale. – Compare your diagram with the line diagram provide in ship’s library. of a First Rate ship-of-the-line and is labelled with the names of those pieces, thus providing an illustrated key to some of Sutherland's terms.7 This is referred to here as the "St. Lo print". A second supplementary source is a model in the National Maritime Museum, Greenwich, of
Download scientific diagram | Schematic silhouette of the Spanish ship of the line Santísima Trinidad (from [3]). from publication: Developments in fluid ... Line Diagrams A line (ladder) diagram is a diagram that shows the logic of an electrical circuit or system using standard symbols. A line diagram is used to show the relationship between circuits and their components but not the actual location of the components. Line diagrams provide a fast, easy understanding of the connections and A ship of the line was a type of naval warship constructed during the Age of Sail from the ... A contemporary diagram illustrating a first- and a third-rate ship.History · Combat · Restorations and preservation · See also EVOlution Graphics B.V. Hilversum, The Netherlands KvK 60955899 VAT Nr. NL854134098B01
![British Library digitised image from page 171 of "A Ramble round the Globe ... With ... illustrations [including a portrait], etc"](http://live.staticflickr.com/5535/11305245303_c4767e5c7c_c.jpg)
British Library digitised image from page 171 of "A Ramble round the Globe ... With ... illustrations [including a portrait], etc"

The Return of Odysseus (Homage to Pinturicchio and Benin) (1977) // Romare Howard Bearden American, 1911-1988
74 Gun | Ship of the Line - 3rd Rate | Blender - CAD and 3D Modelling/Drafting Plans with Software - Model Ship World™

Pleroma... the fulness of real existence in contrast to the empty void and unreality of mere phenomena..“Fullness,” an ancient Gnostic term adopted to signify the divine world or Universal Soul. Space, developed and divided into a series of aeons.
Slave ship diagram showing how African slaves were arranged and transported aboard the ship during the slave trade years, 1823 Stock Photo - Alamy
0 Response to "44 ship of the line diagram"
Post a Comment