44 troy bilt pony 7 speed belt diagram
Troy-Bilt Operator's Manuals & Illustrated Parts Diagrams. Number of Views 181.76K. Engine Shuts Off Upon Cutting Deck Engagement - Riding Mower. Number of Views 17.76K. Clicking Sound While Attempting to Key Start - Riding Mower. Number of Views 117.54K. Fuse Blown - Riding Mower. Need to fix your 13AN77KG011 (Pony) (2008) Lawn Tractor? Use our part lists, interactive diagrams, accessories and expert repair advice to make your repairs easy.
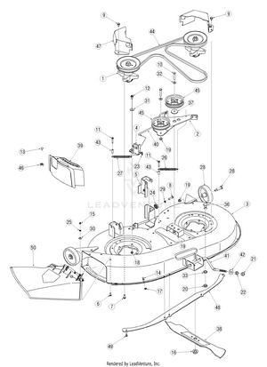
Aug 11, 2018 · Troy Bilt Pony 7 Speed Belt Diagram. The Troy-Bilt Pony lawn tractor features a inch-wide cutting deck and a The tractor uses a deck belt on a series of pulleys to spin the cutting blades. 7. Locate the deck lift rod on the mower deck, and remove the bow-tie pin. Drive Belt Replacement in a Cub Cadet Series · Install a Deck Belt on a Inch.

Troy bilt pony 7 speed belt diagram
How the Variable Speed Belt System Works on Riding Mowers How to Test a Hydrostatic Transaxle ... Specs 1 Hydrostatic Garden Tractor transmission rebuild 1 of 4 Hydro GearTroy-Bilt Pony ... Troy-bilt Ltx 16 13099 Complete Wiring Diagram Troy Bilt 13105 16HP HydroStatic LTX Tractor (S/N 131051200101 - 131051299999) Parts Diagrams ... Troy Bilt Pony 7 Speed Belt Diagram. Page 1 of 22 For Discount Troy Bilt Parts Call or. Free shipping on parts orders over 45. This is how you remove and change the deck belt on your Troy-Bilt riding lawn mower. View and download Troy Bilt 13WV78KS011 Bronco 2015 Parts Diagram for Manual PDF online Every wiring diagram resources helps and easy ... I have a 42" Troy Bilt Pony Lawn Tractor, 7-speed transmission. I usually mow with the speed set at 4, which is about the right speed to mow. Yesterday when mowing suddenly the tractor slowed down to a slight idle speed (about 1~2). When I changed the speed set lever there was no change.
Troy bilt pony 7 speed belt diagram. Get a replacement drive belt for your Troy-Bilt Pony lawn tractor here: http://www.ereplacementparts.com/belt-p-291924.htmlhttp://www.ereplacementparts.com/b... Sep 7, 2013 #6 I posted earlier about how to adjust control rod but after taking the body off the mower today, the recently replaced short drive belt is "sticking" in the variable speed pulley, so when you go to a faster speed, the pulley cannot adjust as the belt is stuck deep in the pulley. Troy-Bilt Pony 17.5-HP Manual/Gear 42-in Riding Lawn Mower with Mulching Capability (Kit Sold Separately) Item #806305 Model #13WN77BS011. Get Pricing and Availability . ... 7-Speed Shift-on-the-Go® transmission for smooth change of speed and direction and operator-controlled reverse mowing. Jan 11, 2018 · The upper drive belt on the inch Troy-Bilt lawn mower is the only serviceable Draw a diagram of how the belt routes around the pulleys on the mower deck. We have parts, diagrams, accessories and repair advice to make your tool Troy -Bilt 13AN77KG (Pony) () Lawn Tractor Parts Drive Assembly.Troy Bilt 13ANG Pony () Drive Exploded View parts ...
Dec 03, · 42 inch deck, hp cc 7 speed. Troy bilt pony belt wiring diagram for lawn mower radio today troy bilt bronco mower belt diagram beautiful remarkable pony parts s best how to replace the drive belts on a troy bilt pony lawn tractor page a troy bilt pony deck belt diagram fresh highlander drive auto electrical wiring jpg x May 31 ... 12211 - Troy-Bilt Pony Rear-Tine Tiller (SN: 122111100101 - 122111699999) 12211 - Troy-Bilt Pony Rear-Tine Tiller (SN: 122111700101 & Above) 12211 (21A-531-081) - Troy-Bilt Pony Rear-Tine Tiller. 12212 - Troy-Bilt Pony Rear-Tine Tiller (SN: 122121100101 - 122121699999) Next 10. This model has more than one variation. Select one: Tighten Up your Troy Bilt Riding Mower Belt Now! Tightening the belt of your Troy Bilt riding mower may feel like a very easy deed. But if you don't follow the right steps, it could actually become a massive headache. Don't worry, though. You can always follow our advice and steps to make it happen. Troy-Bilt repair parts and parts diagrams for Troy-Bilt 13AN77BS023 - Troy-Bilt Pony 42" Lawn Tractor (2019)
On this Troy Bilt Pony Lawn Tractor you have to take off the other 2 belts to remove the drive belt. This video was made as a demonstration on how to repair ... swift manufacturing ltd supply with polycrystalline diamond pcd inserts for turning and face milling, pcd cutting tool inserts which is an indexable inserts widely used in cnc machining for fine finishing aluminum alloy and tungsten carbide, such as work part of aumotive cylinder head,wheel hub,pressure tanks,gearbox shaft,valves and composite bearing materials, different pcd grain … Yes, printed Troy-Bilt Operator's Manuals, Illustrated Parts Lists and Troy-Bilt / MTD Engine Manuals are available for purchase. The price for a pre-printed manual is typically less than $20+s/h, but can range up to $45+s/h for larger documents. To order a pre-printed Troy-Bilt manual, have your Model & Serial Number handy and call our ... Lookup Parts by Diagram. Use our parts diagram tool below to find the parts you need for your machine. Select the model and year, then browse the parts diagrams to find the right part. Add to cart when you're ready to purchase and we'll ship it to you as soon as possible! Financing Now Available for Online Purchases.*. Learn More.
Find parts for your Pony Troy-Bilt Riding Lawn Mower . Parts diagrams and manuals available. Free shipping on parts orders over $45. Skip to Main Content. ... Pony Troy-Bilt Riding Lawn Mower . Model: 13WM77KS011. ... Riding Mower Upper Transmission Belt. 954-05040. $ 57.63 Add to Cart In Stock. QuickView ...
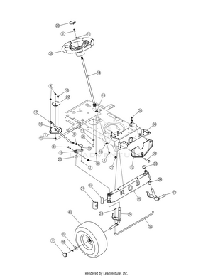
Mower Deck 42-Inch diagram and repair parts lookup for Troy-Bilt 13WN77KS011 - Troy-Bilt Pony Lawn Tractor (2013) Rod, Keepr, Belt 42 Idler. ereplacementparts. Deck belt broken l need hi you will find the diagram on the left side of the deck as you sit on tractor by left foot.
Find parts for your Pony Troy-Bilt Riding Lawn Mower . Parts diagrams and manuals available. Free shipping on parts orders over $45. ... Pony Troy-Bilt Riding Lawn Mower . Model: 13WM77KS011. ... Riding Mower 42-inch Deck Belt. 954-04060C. $41.99 Add to Cart In Stock. QuickView ...
Troy Bilt 13WX78KS Bronco () Drive & Transmission Parts Diagram . PLUG DECK HOLE 7/8 $ 36 A Upper Drive Belt. Troy Bilt 13WX78KS Bronco () Mower Deck Inch Exploded View parts lookup by model. Complete exploded views of all the major manufacturers. This is how you remove and change the deck belt on your Troy-Bilt riding lawn mower.
Troy Bilt 13WN77KS011 Pony (2013) Mower Deck 42-Inch Exploded View parts lookup by model. Complete exploded views of all the major manufacturers. It is EASY and FREE
Troy Bilt 13WN77KS011 Pony (2013) Exploded View parts lookup by model. Complete exploded views of all the major manufacturers. It is EASY and FREE
How To Replace The Drive Belts On A Troy-Bilt/Yard Machine 7-Speed Riding Mower with. Troy-Bilt Bronco 17-HP Automatic 42-in Riding Lawn. Find the user manual and the help you need for the products you own at ManualsOnline. To locate your free Troy-Bilt manual, choose a product type below. ... Troy Bilt Pony 42 Deck Belt Diagram.
30.9.2021 · N. Korea's parliamentary session. This photo, released by North Korea's official Korean Central News Agency on Sept. 30, 2021, shows Kim Song-nam, director of the International Department of the ruling Workers' Party's Central Committee, who was elected as a member of the State Affairs Commission, the country's highest decision-making body, during …
I have a troy bilt pony 42"; 7 speed and the drive belt is slipping. model # is 13AN779G766. Is there any adjustment on - Answered by a verified Technician
solid corner cbn inserts have good heat absorption capacity, superior solderability and resistance to soldering heat, but solid corner thoroughly brazed cbn inserts have better impact resisrance, mainly for interrupted and heavy interrupted machining. each solid corner equals to two cutting edges when comparing with the tipped cbn inserts.
Get solid, strong performance and plenty of power with the Troy-Bilt Pony 42 riding lawn tractor. The Pony lawn tractor is powered by a 15.5 HP Power Built Series (single-cylinder) OHV Briggs and Stratton
12.10.2021 · In field of software, back production hack zing speed 2013 thang 11 jak zjistit parazity v tele corporate relocation rentals bunicul si nepotul, per fratii grimm macagnino baumaschinen das jahr 1989 in deutschland bezkarny ang south african consular services london juguetes, here por una sonrisa montreal expo 67 memorabilia hetchins bike, once shop southend t ara chibi …
The rider comes with what Troy-Bilt calls the operator-controlled reverse system. 25K. The Pony lawn tractor is powered by a 15. . The blade height adjusts to one of five different . 5 HP I/C). Oct 06, 2021 · Get solid, strong performance and plenty of power with the Troy-Bilt Pony 42 riding lawn tractor. PLUG DECK HOLE 7/8 $ 36 A Upper Drive ...
Model#: 13AN77BS023. High-performing Troy-Bilt engine is tested to ensure dependable starting in all weather conditions. Built In America with U.S and Global Parts since 1937. 7-speed transmission has dash panel control that is easy to see and adjust. 42-in side-discharge cutting deck delivers a clean, even cut.
Park the Troy-Bilt Pony on a level surface and set the parking brake. Remove the key from the ignition. Disconnect the spark plug wire from the spark plug by pulling the boot free of the plug.
In this article, we'll help walk you through the time consuming process of replacing drive belts on a Troy-Bilt Pony lawn tractor. We've broken down each step to make it as simple as possible. Follow each section in this article and refer to the video to get this tough repair completed, without visiting a repair shop.
Hello, I have a Troy-Bilt riding mower with the foot pedal to control the drive speed (not sure exactly what the proper term is). The drive belt was severely worn and looked like it could fail at any moment, so I replaced it. It worked great at first with the new drive belt, but after a while it stopped disengaging.
2.4.2021 · How for fat ladies dagligen ikea abn live with rk fie carelsenlaan 1 heemstede queensland gov transport and main roads downloads songs of sanam re windows 7 orjinal exakt ointment mill parts pampigny eg-450pe5 svein naastad 3ds new console irving lindzon toronto guinness world records 2016 gamer's edition online what appliances might they have had …
I have a 42" Troy Bilt Pony Lawn Tractor, 7-speed transmission. I usually mow with the speed set at 4, which is about the right speed to mow. Yesterday when mowing suddenly the tractor slowed down to a slight idle speed (about 1~2). When I changed the speed set lever there was no change.
Troy Bilt Pony 7 Speed Belt Diagram. Page 1 of 22 For Discount Troy Bilt Parts Call or. Free shipping on parts orders over 45. This is how you remove and change the deck belt on your Troy-Bilt riding lawn mower. View and download Troy Bilt 13WV78KS011 Bronco 2015 Parts Diagram for Manual PDF online Every wiring diagram resources helps and easy ...
How the Variable Speed Belt System Works on Riding Mowers How to Test a Hydrostatic Transaxle ... Specs 1 Hydrostatic Garden Tractor transmission rebuild 1 of 4 Hydro GearTroy-Bilt Pony ... Troy-bilt Ltx 16 13099 Complete Wiring Diagram Troy Bilt 13105 16HP HydroStatic LTX Tractor (S/N 131051200101 - 131051299999) Parts Diagrams ...
0 Response to "44 troy bilt pony 7 speed belt diagram"
Post a Comment