44 2000 chrysler town and country parts diagram
OEM Chrysler Town & Country Parts & Accessories | Mopar ... If you need assistance finding the right parts and accessories in our 2010 Chrysler Town & Country parts catalog, or would like a diagram of how everything fits together, feel free to contact our Mopar parts specialists via email. So whether you're looking for genuine replacement parts or a new genuine accessory, come to Mopar Online Parts first. Chrysler - Wiring Diagrams Chrysler Wiring Diagrams. All wiring diagrams posted on the site are collected from free sources and are intended solely for informational purposes. EWD Dodge Caravan, Plymouth Voyager, Chrysler Town, Country since 1996-2005 of release. Electroschemes Chrysler Voyager, Dodge_caravan since 2001-2007 of release.
2000 Chrysler Town and Country Replacement Sway Bars ... Chrysler Town and Country 2000, Front Stabilizer Bar Bushing Kit by SKP®. Quantity: Sold as a Kit. Replacement sway bars and components are right what the doctor ordered when you need to replace your worn out factory parts. Made to OEM...

2000 chrysler town and country parts diagram
SOLVED: 2010 town and country parts diagram - Fixya Need diagram of front end for chrysler 2000 town and country xl to replace the bumper, fender, radio fan and lights Your best resource for questions about Chrysler is this website. Allpar Dodge Chrysler Plymouth Jeep and related cars minivans and trucks 2000 Chrysler Town and Country Chassis Frames & Body Parts ... Chrysler Town and Country 2000, Front Upper Crossmember Support by Sherman®. Put your vehicle back in top shape and replace your chipped, scratched, dinged, or otherwise damaged auto body parts with the high quality and affordable price... Chrysler Town & Country Parts & Accessories Aftermarket ... Our aftermarket catalog of Chrysler Town & Country parts and accessories is the most complete online. Save money and time with our low price guarantee and fast shipping. Order now! ... 2000 Chrysler Town & Country. 1999 Chrysler Town & Country. 1998 Chrysler Town & Country. 1997 Chrysler Town & Country. 1996 Chrysler Town & Country.
2000 chrysler town and country parts diagram. 2000 Chrysler Town & Country Tail Light Assembly - from ... Auto Parts ∕ Collision, Body ... Get an exact fit for your 2000 Chrysler Town & Country. Add a Vehicle. 1-8 of 8 Results. Clear Filters. Sort by . 1-8 of 8 Results. Filter . Sort by . Brand. Price. TYC Tail Light Assembly 11-3067-01. TYC Tail Light Assembly 11-3067-01 ... 2000 Chrysler Town and country Installation Parts, harness ... Photo: Description: RETRO $339.95: Part# 17392 NEWPORT 1 5 DIN DIRECT FIT RADIO This is the only production 1 5 DIN radio on the market and will be a direct fit solution for 1982 2002 GM 1975 2000 MOPAR and 1979 89 Ford vehicles that came equipped with a standard 1 5 DIN factory radio Mounting hardware is included to install the Newport directly to the factory brackets in these vehicles The ... Download Free Chrysler Town and Country Repair Manual PDF A free download Chrysler Town and Country Repair Manual is a digitally delivered book of instructions for learning how to fix any part of the minivan that is suffering from damage or a fault. The electronic handbook is transmitted via Internet free of charge to your computer, tablet or smartphone. The digital book is in PDF format which is a file format that appears identical to a printed book. 2000 Chrysler Town & Country Repair Manual Online Unlimited access to your 2000 Chrysler Town & Country manual on a yearly basis. 100% No Risk Guarantee. We'll get you the repair information you need, every time, or we'll refund your purchase in full. This manual is specific to a 2000 Chrysler Town & Country. RepairSurge is compatible with any internet-enabled computer, laptop, smartphone or ...
Chrysler Town & Country Parts - Lowest Price on Factory ... 1998. 1997. Chrysler OEM Town & Country Parts from Thunder CDJR. We are your source for Factory Chrysler Parts. Genuine Chrysler parts are the smart choice for repair, maintenance, or upgrade of your Chrysler Town & Country . When you choose OEM parts for your vehicle, you're choosing to maintain the quality and reliability of your vehicle ... Chrysler Town & Country - Factory Chrysler Parts OEM Chrysler parts are manufactured by Chrysler for your Town & Country . OEM Chrysler Town & Country parts are built to maximize the performance of Chrysler vehicles and provide the certainty that the repair will be done right the first time. Parts that fit. Exhaust Parts that perform. ... 2000 . 1999 . 1998 . Chrysler Town and Country Parts | Parts Geek Call us toll free at 1-800-541-9352 to order. Top-quality replacement parts are what owners need to keep that Chrysler on the road no matter the driving. When it turns out you need Chrysler Town & Country parts, you'll do well to get the most reliable parts and components you can buy - and at partsgeek.com you also see reasonable prices around ... Chrysler Town and Country Repair & Service Manuals (23 PDF's Select your Chrysler Town and Country PDF Download from the list below: Chrysler - Town and Country - Owners Manual - (2005) Owners Manual 18 Pages. Get your hands on the complete Chrysler factory workshop software. £9.99 Download now. Chrysler - Town and Country - Miscellaneous Documents - 2008 - 2016.
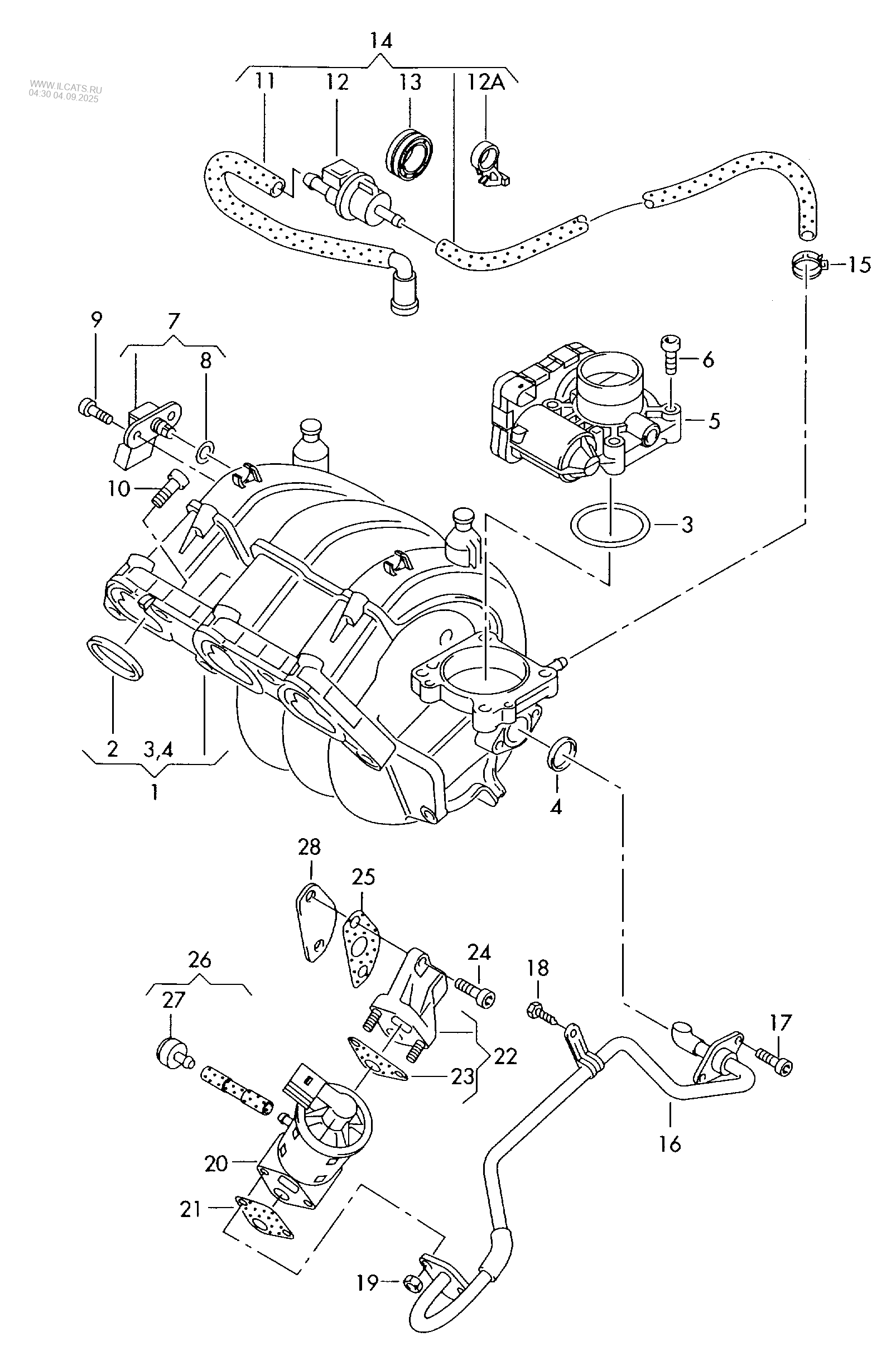
Chrysler Town And Country Parts Diagram | Automotive Parts ... Description: 2008 Chrysler Town And Country Parts Diagram] Parts 174 Chrysler throughout Chrysler Town And Country Parts Diagram, image size 1000 X 798 px, and to view image details please click the image.. Actually, we also have been noticed that chrysler town and country parts diagram is being one of the most popular subject at this time. So we tried to get some good chrysler town and ... 2000 Chrysler Town & Country - Mopar Parts Giant MoparPartsGiant.com offers the wholesale prices for genuine 2000 Chrysler Town & Country parts.Parts like . Lines & Hoses, Brake are shipped directly from authorized Mopar dealers and backed by the manufacturer's warranty.. Parts fit for the following vehicle options. Engine: 6 Cyl 3.3L, 6 Cyl 3.8L. Transmission: 4-Speed Automatic Transmission. 2000 Chrysler Town And Country Repair Parts - Mill Supply 2000 Chrysler Town And Country Repair Parts available at low prices! We have a huge selection of high quality rust repair and auto body panels including rockers, cab corners, wheel arches, fenders, and more! Get your 2000 Chrysler Town And Country Repair Parts today! Most orders shipped same day! SOLVED: I need fuse diagram for 2000 town and country - Fixya SOURCE: 2000 Chrysler Town & Country Power outlet fuse (which one?) The fuse and relay positions are cast into the under side of the 'power center' (fuse box) cover. The larger boxes are relays of various power (not related to your problem). Check the wire at the rear of the power outlet to see if it is connected.
Chrysler Town and Country 2000 Workshop Manual 3.8L VIN L PDF With this Chrysler Town and Country Workshop manual, you can perform every job that could be done by Chrysler garages and mechanics from: changing spark plugs, brake fluids, oil changes, engine rebuilds, electrical faults. and much more. The Chrysler Town and Country 2000 Workshop Manual 3.8L VIN L PDF includes:
CHRYSLER - Car PDF Manual, Wiring Diagram & Fault Codes DTC CHRYSLER Car Manuals PDF & Wiring Diagrams above the page - 200, 300, Minivan, Pacifica, Town & Country; Chrysler EWDs - Imperial, New Yorker, Newport, Concorde, Cordoba; Chrysler standard and specific Fault Codes DTC.. Chrysler was founded in 1923.. The first car produced by Chrysler was in 1924. It was a six cylinder with hydraulic brakes. The car sold 43,000 at $1645.
2000 Chrysler Town and Country Air Conditioning: My Ac Is ... 2000 Chrysler Town and Country air conditioning. FACECAPERS. MEMBER. 2000 CHRYSLER TOWN AND COUNTRY. 300,000 MILES. My ac is not blowing out cool air. Took it to a mechanic and he stated its not working BC the rear air conditioning condenser has a leak. Shouldn't the front ac still work though. Is his statement accurate.
1996-2000 Chrysler Town and Country Interior Fuse Check ... The video above shows how to check for blown fuses in the interior fuse box of your 2000 Chrysler Town and Country and where the fuse panel diagram is located. If your map light, stereo, heated seats, headlights, power windows or other electronic components suddenly stop working, chances are you have a fuse that has blown out.
PDF Chrysler Town And Country Parts Diagram All Diagram 2000 Chrysler Town Country Transmission Diagram. 2003 Chrysler Town And Country Parts Diagram 2003 Free. Chrysler Town And Country Parts Diagram PDF Download. 2008 Chrysler Town And Country Wiring Diagram Wiring Forums. Solved 2009 Chrysler Town And Country Code P0073 Ambient. Chrysler Town amp Country Cars and Parts eBay. Chrysler Town ...
2000 Chrysler Town & Country - Mopar Parts Giant MoparPartsGiant.com offers the wholesale prices for genuine 2000 Chrysler Town & Country parts.Parts like . Headliner & Visor are shipped directly from authorized Mopar dealers and backed by the manufacturer's warranty.. Parts fit for the following vehicle options. Engine: 6 Cyl 3.3L, 6 Cyl 3.8L. Transmission: 4-Speed Automatic Transmission.
2000 CHRYSLER TOWN & COUNTRY 3.8L V6 Heater Hose | RockAuto RockAuto ships auto parts and body parts from over 300 manufacturers to customers' doors worldwide, all at warehouse prices. Easy to use parts catalog. 2000 CHRYSLER TOWN & COUNTRY 3.8L V6 Heater Hose | RockAuto
chrysler: diagram of the A\C System showing components ... chrysler: diagram of the A\C System showing components..Fan Relay…. 2002 Town and Country LXi, 3.8 L engine w/rear a/c. I have. Hello. 2002 Town and Country LXi, 3.8 L engine w/rear a/c. I have worked on cars 30 years. This is my 7 or 8th a/c compressor replacement. … read more.
Interior Fuse Box Location: 1996-2000 Chrysler Town and ... The video above shows how to replace blown fuses in the interior fuse box of your 2000 Chrysler Town and Country in addition to the fuse panel diagram location. Electrical components such as your map light, radio, heated seats, high beams, power windows all have fuses and if they suddenly stop working, chances are you have a fuse that has blown ...
1996 Chrysler Town And Country Wiring Diagram - easywiring 1996 chrysler town and country wiring diagram. Chrysler wiring diagrams 1962 chrysler v8. Right front speaker wire. Red white radio ground wire. Left front speaker wire. 1996 2000 chrysler town and country. 1965 chrysler v8 wiring diagrams electrical equipment of cars chrysler town country dodge caravan plymouth voyager models 1984 1995.
2000 Chrysler Town And Country Parts Diagram - Vehiclepad ... May 23, 2017 · 2000 Chrysler Town And Country Parts Diagram - Vehiclepad | 2006 pertaining to 2001 Chrysler Town And Country Fuse Box Diagram by admin Through the thousands of photos on the internet with regards to 2001 chrysler town and country fuse box diagram, we selects the top selections along with ideal quality just for you all, and now this pictures is actually one among images libraries in our ideal ...
Chrysler Town & Country Auto Parts - AutoZone.com Most Popular Parts. Chrysler Town & Country Battery. Chrysler Town & Country Headlight. Chrysler Town & Country Brake Pads. Chrysler Town & Country Spark Plug. Chrysler Town & Country Alternator. Chrysler Town & Country Brake Rotor. Chrysler Town & Country Performance Brake Pads / Rotors Kit. Chrysler Town & Country Oil Filter.
Chrysler Town & Country Parts & Accessories Aftermarket ... Our aftermarket catalog of Chrysler Town & Country parts and accessories is the most complete online. Save money and time with our low price guarantee and fast shipping. Order now! ... 2000 Chrysler Town & Country. 1999 Chrysler Town & Country. 1998 Chrysler Town & Country. 1997 Chrysler Town & Country. 1996 Chrysler Town & Country.
2000 Chrysler Town and Country Chassis Frames & Body Parts ... Chrysler Town and Country 2000, Front Upper Crossmember Support by Sherman®. Put your vehicle back in top shape and replace your chipped, scratched, dinged, or otherwise damaged auto body parts with the high quality and affordable price...
SOLVED: 2010 town and country parts diagram - Fixya Need diagram of front end for chrysler 2000 town and country xl to replace the bumper, fender, radio fan and lights Your best resource for questions about Chrysler is this website. Allpar Dodge Chrysler Plymouth Jeep and related cars minivans and trucks
0 Response to "44 2000 chrysler town and country parts diagram"
Post a Comment