Iklan 300x250

45 huskee lawn mower drive belt routing diagram

Riding Mower Deck Belt Diagram DIY - YouTube Visit Website: belt routing diagrams for Craftsman, MTD, Yard Man, all brands of riding mowers and lawn tractors.Vi... Route a Riding Mower Deck Belt: Diagram ... - MTD Parts For step-by-step instructions and preparation tips, check out our guide on how to replace the drive belt on a riding lawn mower. But when it's time to route the actual mower deck belt, use the five tips below along with belt diagram for an MTD riding mower above, which highlights the belt in yellow, to make the change: 1. Take a picture of the ...

Route a Riding Mower Deck Belt: Diagram ... - MTD Parts For step-by-step instructions and preparation tips, check out our guide on how to replace the drive belt on a riding lawn mower. But when it's time to route the actual mower deck belt, use the five tips below along with belt diagram for an MTD riding mower above, which highlights the belt in yellow, to make the change: 1. Take a picture of the ...

Huskee lawn mower drive belt routing diagram

Huskee lawn mower drive belt routing diagram

How to replace a riding lawn mower drive belt. | MTD Parts Remove the lower drive belt from the mower by pulling it towards the engine. Step 13: Install the new lower drive belt. Lawn mower belt installation is essentially the removal process in reverse. As you install the new lower drive belt, confirm the correct belt routing inside of all the belt keepers and through all the guide pins using the ... Huskee Supreme Slt 4600 Belt Diagram - Wiring Diagrams Huskee Supreme Slt 4600 Belt Diagram. wiringall.com - Select MTD 13AXH - Huskee Lawn Tractor () ( Tractor Supply) Diagrams and order Genuine MTD Mowers: lawn & garden tractor. The MTD Huskee Supreme is a front engine garden tractor equipped with a or inch mid-mount mowing deck. The Huskee brand was manufactured by. MTD 14AR808K131 (2003) Parts Diagram ... - Lawn Mower Parts MTD 14AR808K131 (2003) Deck Assembly 54-Inch Parts Diagram. SWIPE SWIPE. Axle, Steering. Deck Assembly 54-Inch.

Huskee lawn mower drive belt routing diagram. Yardman Drive Belt Diagram - Wiring Diagrams Changing the drive belt on a MTD Yardman riding mower is part of a routine maintenance schedule. MTD, the maker of Yardman products, suggests changing. I need a diagram showing for a 20hp yardman tractor model number 13ATG We have parts, diagrams, accessories and repair advice to make your tool repairs Yard Man 13BTH () Lawn Tractor Parts Upper ... MTD and Huskee Mower PTO/Deck Belt Replacement - YouTube - MTD REPLACEMENT PTO/DECK BELT (954-0486A 754-0486 954-0486 754-0486A 67-Inch by-5/8-inch)Buy me a coffee? - ... Yard Machine Mtd Belt Diagram - 03/2022 Yardman Riding Mower Belt Diagram - schematron.org Save schematron.org. Belt diagram for 46" mtd yard machine riding mower Belt diagram for 46" mtd. diagram of how to put the Blade belt on my Yardman 42' riding lawnmower I can& #39;t get my blade belt on Yeah, these belts can seem impossible to figure out.Fix your Yard Man Lawn Mower today with parts, diagrams, accessories and repair advice ... How to replace the deck belt on an MTD riding mower When the deck belt shredded on a 1998 MTD 38" riding mower, It would be two hours before mowing resumed. This is a surprisingly difficult replacement, so we ...

hetcoachhuiscafe.nl Riding Mower Deck Belt Diagram DIY Riding Mower and Garden Tractor Belt Routing Diagrams deck belt diagram craftsman riding mower Google Search. The 40V mower works well on yards up to ½ an acre and has bagging and mulching capabilities for multiple uses. Your Local John Deere Construction & Forestry Dealer. All of the battery powered tractors and … Shop Huskee Parts | MTD Parts Find Parts by Diagram. Find all the genuine replacement parts for Huskee on our Parts Diagram. We carry everything for your machine and the Parts Diagram helps visualize every component found in your equipment. Give it a try and if you can't find what you are looking for or need assistance installing the new part, call 1-800-269-6215 today. Yardman Riding Mower Belt Diagram - schematron.org Belt diagram for 46" mtd yard machine riding mower Belt diagram for 46" mtd. diagram of how to put the Blade belt on my Yardman 42' riding lawnmower I can& #39;t get my blade belt on Yeah, these belts can seem impossible to figure out.Fix your Yard Man Lawn Mower today with parts, diagrams, accessories and repair advice from eReplacement Parts! Huskee Riding Mower Drive Belt Diagram Huskee Riding Mower 13WS . C Riding Mower inch Deck Belt Price: $ Qty: B Spindle Assembly - " Dia. HUSKEE RIDING MOWER 13AXH NEED HELP WITH DRIVE BELT ROUTING. Using the diagram with the mower, it's very unclear and we've broken two. Jun 19, There's a 3rd belt that drives the transmission (or engages it or whatever) the PTO engaging belt from ...

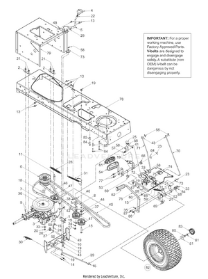
Huskee Lt4200 Mower Deck Diagram - Diagram Niche Ideas Huskee lt4200 deck belt diagram huskee lt4200 deck belt diagram new huskee riding lawn mower drive belt diagram illustration wiring dimension. I went to my local mower parts store and had them order me one. Failure to operate the riding mower without the discharge cover in the proper operating position could result in serious personal. MTD 13AZ608H131 (2004) Parts Diagram for Drive Z608H MTD 13AZ608H131 (2004) Drive Z608H Exploded View parts lookup by model. Complete exploded views of all the major manufacturers. ... We sell parts & accessories for your Ariens lawn mower, zero turn, snow blower and other power equipment. ... Drive Belt. Add to Cart. 46. 9540468 . Upper Drive Belt. Add to Cart. 47. 75604224 Huskee Lt4200 Drive Belt Replacement - Diagram Niche Ideas 42 inch cut and kohler courage 17 hp engine. Repair your huskee lawn mower belt for less. The crankshaft provides power to these parts, and the. It is easy and free. The replacement parts worked perfectly. John deere drive belt diagram huskee lt4200 lawn mowers want a gentle and precise cut. Lt4200 engine 2016 huskee lt4200 huskee lt4200 parts ... replace lawn mower belts - yardman / MTD no jacking ... Transmission pulley 2:16Transmission pulley diagram 3:01Transmission drive belt 4:40Deck drive belt 6:12Deck drive belt diagram 7:44This video isn't necessar...

Huskee lt4200 deck repair and belt replacement

Huskee lt4200 deck repair and belt replacement

begoldigital.it › oenleCraftsman ztl8000 manual Appliance Parts | Replacement Water Filters | Lawn & Garden Craftsman ztl8000 manual Also a A 2006 Harley Davidson Ultra Classic Legend conversion trike (3-wheel) motorcycle and a motorcycle trailer, Huskee 27T log splitter, Coca Cola painted wood wheel wagon, Yamaha Grizzly 4x4 ATV, JD 160 mower & lots more. 200 matches. The lever is found by the side of …

MTD 13W2775S031 (LT4200) (2014) Parts Diagram for Mower Deck ...

MTD 13W2775S031 (LT4200) (2014) Parts Diagram for Mower Deck ...

Huskee Lt4200 Upper Drive Belt - Diagram Niche Ideas Sounds like the varidrive system. John deere drive belt diagram huskee lt4200 lawn mowers want a gentle and precise cut. Loaded back on truck and drove it back. How to change the lower drive belt on a mtd gold, bolens, yard machines, or toro riding mower. You have probably broken the drive belt. I have 2011 huskee lt4200 riding lawn mower.

Download huskee images for free

Download huskee images for free

Bolens 13am762f765 Belt Diagram - schematron.org Complete C COVER BELT DI $ Found on Diagram: Drive. Did your Mtd model 13AMF lawn, tractor break down? Parts Diagrams ( 22) file. How to Replace a Riding Lawn Mower Blade Drive Belt. file. Belt diagram for bolens riding mower - Answered by a verified Technician. model#13amf James W: We just have a lot more.

Husqvarna 531300771 48-Inch Lawn Mower Deck Secondary Belt For YTH1848XP,  YTH2148, YTH2248, YTH2448, YTH2548, GTH2248XP and GTH2548

Husqvarna 531300771 48-Inch Lawn Mower Deck Secondary Belt For YTH1848XP, YTH2148, YTH2248, YTH2448, YTH2548, GTH2248XP and GTH2548

Projects - barivolley2018.it It has a 382 cc Auto-Choke Engine. wiring diagram and, troy bilt 13wx79kt011 troy bilt horse xp lawn tractor, wiring diagram for troy bilt riding mower p to huskee lawn, troy bilt super bronco mower drive belt diagram image of, belt diagram for troy bilt riding lawn mower answers com, troy bilt mower wiring diagram 188395 best free wiring, troy bilt riding mower parts diagram …

How to Replace Drive Belts - White Outdoors Riding Mower

How to Replace Drive Belts - White Outdoors Riding Mower

need a routing diagram for drive belt for a huskee supreme ... Consult equipment operator's manual and read safety instructions before operating or servicing any mower or equipment or attempting any task. Top I need a diagram for the drive belt on a Huskee supreme 46slt.

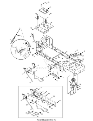
My transmission will not engage - either forward or reverse ...

My transmission will not engage - either forward or reverse ...

Huskee Riding Mower Drive Belt Diagram - schematron.org on Huskee Riding Mower Drive Belt Diagram. Shop our selection of Huskee, Belts in the Outdoors Department at The Home Depot. MTD Genuine Factory Parts Drive Belt for MTD Lawn Tractors, and. Displaying Drive & Transmission parts for the MTD 13AFG - Huskee Lawn Mowers: Lawn & Garden Tractor . Lower Drive Belt Shift Lever Assembly.

I am trying to replace deck belt on Honda 4514 riding mower ...

I am trying to replace deck belt on Honda 4514 riding mower ...

bozeba.de Riding lawn mower steering problems Steering shaft, 5/8" spline 21. The instructions and tools to install these items were also included. 5 Product Series Displaying 1 of 1.

MTD 14AZ808K131 (2002) Parts Diagram for Deck Assembly 54-Inch

MTD 14AZ808K131 (2002) Parts Diagram for Deck Assembly 54-Inch

germany-community.de › cub-cadet-belt-tensioner-springgermany-community.de Mar 23, 2022 · Cub cadet belt tensioner spring

Ersatzteilliste

Ersatzteilliste

Yardman Drive Belt Diagram - schematron.org Changing the drive belt on a MTD Yardman riding mower is part of a routine maintenance schedule. MTD, the maker of Yardman products, suggests changing the belt every two years or more with exceptional wear. Inspect the belt often throughout the mowing season for nicks, wear or damage. SOURCE: I have freestanding Series 8 dishwasher.

SOLVED: I need a wiring diagram for a Huskee - Fixya

SOLVED: I need a wiring diagram for a Huskee - Fixya

Husqvarna safety switch bypass - bodycoach-online.de 2022-03-23 · Still remember, to bypass lawn mower safety switch can be extra helpful for many things. This is an edited version of the first video - INSTRUCTIONS:1) Push the seat forward2) Lift the seat3) Unplug the plug4) Pull out the tab5) LEAVE IT UNPLUGGE This is the seat safety switch socket that you need to bypass. Aug 04, 2014 · Does anyone know how to bypass the …

Why won't my riding mower start?

Why won't my riding mower start?

Huskee Slt 4600 Belt Diagram - Wiring Diagram Pictures Huskee Slt 4600 Belt Diagram. schematron.org - Select MTD 13AXH - Huskee Lawn Tractor () ( Tractor Supply) Diagrams and order Genuine MTD Mowers: lawn & garden tractor. I need mower belt diagram for huskee supreme slt 4 I need mower belt diagram for huskee supreme slt model 13axh Asked by.

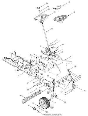
Huskee 13AJ608H131 (2002) - PartsWarehouse

Huskee 13AJ608H131 (2002) - PartsWarehouse

Yardman 42 Inch Deck Belt Diagram Belt Keeper Rod $ Deck. We have parts, diagrams, accessories and repair advice to make your tool repairs easy. Yard Man 13AOH () Lawn Tractor Parts . Deck Belt Cover Lh Rod, Shift (38/42" Decks) I have a Yardman mower 7 speed shift on the go when I first start 1,2 and 3 gears work fine, but when it heats up only.

SOLVED: Drive belt routing diagram for 1987 130 36

SOLVED: Drive belt routing diagram for 1987 130 36" lawn - Fixya

Belt diagram for a 46" cut huskee mower I am trying to find a belt diagram for a 46 inch cut Husky riding mower. The model number is 13AT688H731. I have the belt the is listed for the mower but when I put it on it is way to big. Thank you so much. alan gordon: What size belt does the Huskee Supreme SLT 4600H need? I am speaking of the belt that engages the mower.

Huskee (mtd) model 13bx775h031 upper drive belt - There are 3 ...

Huskee (mtd) model 13bx775h031 upper drive belt - There are 3 ...

How To Replace Drive Belt On Huskee Lt4200 - Diagram Niche ... Changing the drive belt on a mtd yardman riding mower is part of a routine maintenance schedule. Learn how your comment data is processed. If you've ever owned a lawn tractor you've probably dealt with the issue of a broken belt. John deere drive belt diagram huskee lt4200 lawn mowers want a gentle and precise cut.

Riding lawn mower creeps when in gear - DoItYourself.com ...

Riding lawn mower creeps when in gear - DoItYourself.com ...

13AZ608H131 - Huskee Lawn Tractor (2004) (Tractor Supply ... Repair parts and diagrams for 13AZ608H131 - Huskee Lawn Tractor (2004) (Tractor Supply) ... 13AZ608H131 - Huskee Lawn Tractor (2004) (Tractor Supply) Parts & Diagrams Parts Lists & Diagrams. ... Drive Z608H. Engine Accessories. Frame Components & Seat. Hood, Fuel Tank, Electrical. PTO Electric, Battery, Frame 1.

DIY: How to Change the Upper Drive Belt on MTD Gold Lawn Mower - Bolens or  Yard Machines

DIY: How to Change the Upper Drive Belt on MTD Gold Lawn Mower - Bolens or Yard Machines

MTD 13AN601H729 (2006) Parts Diagram for Drive MTD 13AN601H729 (2006) Drive Exploded View parts lookup by model. Complete exploded views of all the major manufacturers. ... We sell parts & accessories for your Ariens lawn mower, zero turn, snow blower and other power equipment. ... Upper Drive Belt. Add to Cart. 39. 95604002 . V Pulley w/ Hub. $21.85 Add to Cart. 40. 75604224 ...

I have a Poulan 42

I have a Poulan 42", 17.5 hp lawn tractor. The drive belt ...

Belt Routing Charts for Lawn Mower Decks Canada Two popular MTD belt routing diagrams. Note that the idler pulley in the left hand chart would be a "Flat Idler", meaning that the back of the belt rides against the pulley and the blade pulleys are "Grooved Pulleys" designed to contact the inside of the belt.

MTD 13AF698G131 (2003) Parts Diagram for Deck Assembly

MTD 13AF698G131 (2003) Parts Diagram for Deck Assembly "G"

hetcoachhuiscafe.nlhetcoachhuiscafe.nl Husqvarna Awd Mower Belt Diagram. The knob should return to its neutral position (resting against bracket). How to Adjust the Clutch for a Murray Riding Mower. Mar 01, 2016 · This DIY lawn mower repair guide gives step-by-step instructions for replacing a lawn mower drive cable. Also, for safety reasons, park the mower on level ground.

MTD decks by crigby

MTD decks by crigby

MTD 14AR808K131 (2003) Parts Diagram ... - Lawn Mower Parts MTD 14AR808K131 (2003) Deck Assembly 54-Inch Parts Diagram. SWIPE SWIPE. Axle, Steering. Deck Assembly 54-Inch.

MTD 13A6672G129 (2001) Parts Diagram for Deck Assembly

MTD 13A6672G129 (2001) Parts Diagram for Deck Assembly "G"

Huskee Supreme Slt 4600 Belt Diagram - Wiring Diagrams Huskee Supreme Slt 4600 Belt Diagram. wiringall.com - Select MTD 13AXH - Huskee Lawn Tractor () ( Tractor Supply) Diagrams and order Genuine MTD Mowers: lawn & garden tractor. The MTD Huskee Supreme is a front engine garden tractor equipped with a or inch mid-mount mowing deck. The Huskee brand was manufactured by.

MTD Lawn Tractor | 136P695H352 | eReplacementParts.com

MTD Lawn Tractor | 136P695H352 | eReplacementParts.com

How to replace a riding lawn mower drive belt. | MTD Parts Remove the lower drive belt from the mower by pulling it towards the engine. Step 13: Install the new lower drive belt. Lawn mower belt installation is essentially the removal process in reverse. As you install the new lower drive belt, confirm the correct belt routing inside of all the belt keepers and through all the guide pins using the ...

Toro Lx468 Lawn Tractor, 2008 | 13AP61RH048 ...

Toro Lx468 Lawn Tractor, 2008 | 13AP61RH048 ...

MTD 31AE644E131 (1998) Parts Diagram for Belt Drive

MTD 31AE644E131 (1998) Parts Diagram for Belt Drive

Removing mower deck Huskee, MTD,Yard Man, mowers - YouTube ...

Removing mower deck Huskee, MTD,Yard Man, mowers - YouTube ...

John Deere L&G Belt Routing Guide | My Lawnmower Forum

John Deere L&G Belt Routing Guide | My Lawnmower Forum

How To Replace Belts On MTD Varidrive | My Tractor Forum

How To Replace Belts On MTD Varidrive | My Tractor Forum

John Deere L&G Belt Routing Guide | My Lawnmower Forum

John Deere L&G Belt Routing Guide | My Lawnmower Forum

SOLVED: yamaha diagrams I need belt diagram for mower deck ...

SOLVED: yamaha diagrams I need belt diagram for mower deck ...

Replacing a riding lawnmower belt (Huskee LT4200) without taking the deck  off.

Replacing a riding lawnmower belt (Huskee LT4200) without taking the deck off.

MTD 21AA412A700 (2004) Parts Diagram for Drive

MTD 21AA412A700 (2004) Parts Diagram for Drive

LT 4600 (13W878ST031) - Huskee Lawn Tractor (2016) Parts ...

LT 4600 (13W878ST031) - Huskee Lawn Tractor (2016) Parts ...

Huskee Riding Lawn Mower - Model 13W2775S031 | MTD Parts

Huskee Riding Lawn Mower - Model 13W2775S031 | MTD Parts

Huskee 13BS608H131 (2003) - PartsWarehouse

Huskee 13BS608H131 (2003) - PartsWarehouse

Huskee 14AI808H731 (2004) - PartsWarehouse

Huskee 14AI808H731 (2004) - PartsWarehouse

Mower Deck Belt Replacement – Step by step – Lawnmowerfixed

Mower Deck Belt Replacement – Step by step – Lawnmowerfixed

Huskee 13AX775H031 (2008) - PartsWarehouse

Huskee 13AX775H031 (2008) - PartsWarehouse

Allis-Chalmers

Allis-Chalmers

SOLVED: Need instructions how to put on and route a mower - Fixya

SOLVED: Need instructions how to put on and route a mower - Fixya

RESISTOR A24504 - Case | AVSpare.com

RESISTOR A24504 - Case | AVSpare.com

Huskee Supreme Riding Lawn Mower - Model 13AX775H730

Huskee Supreme Riding Lawn Mower - Model 13AX775H730

Craftsman 17.5 hp 42 in. Deck Lawn Tractor - CA Model Belt ...

Craftsman 17.5 hp 42 in. Deck Lawn Tractor - CA Model Belt ...

mtd huskee supreme slt 4600 | My Tractor Forum

mtd huskee supreme slt 4600 | My Tractor Forum

Belt that turns the blades keeps slipping off - Lawn Mower ...

Belt that turns the blades keeps slipping off - Lawn Mower ...

LT 4600 (13W878ST031) - Huskee Lawn Tractor (2016) Parts ...

LT 4600 (13W878ST031) - Huskee Lawn Tractor (2016) Parts ...

Download huskee images for free

Download huskee images for free

0 Response to "45 huskee lawn mower drive belt routing diagram"

Post a Comment

Iklan Atas Artikel

Iklan Tengah Artikel 1

Iklan Tengah Artikel 2

Iklan Bawah Artikel