Iklan 300x250

42 murray riding mower deck belt diagram

38 Riding Mower - Murray A 38" mower deck allows you to mow flat or hilly terrain on medium- to large-sized yards up to two acres quickly. Extra Tight Turns A comfortable steering column with 18" turning radius makes maneuvering around landscaping easy. Solid Construction Durable steel front axle is built to last. Smooth Operation Belt diagram for 42 inch Murray riding mower? - Answers long spring attached from it to the front of the mower deck. You can see a good diagram of this at and click on "mower housing". The belt is...

Murray Select Riding Lawn Mower Belt Diagram | vincegray2014 Murray Select Riding Lawn Mower Belt Diagram Free Download 2022 by mervin.ryan. Find The BestTemplates at vincegray2014.

Murray riding mower deck belt diagram

Murray riding mower deck belt diagram

42 Riding Mower - Murray Product Details Overview Specifications Tight Turning A tight 16" turning radius helps you spend less time mowing and more time enjoying your yard. High Performance The high performance air induction 42" cutting deck allows for optimal air flow and excellent cut quality. Hardworking Engine Need deck belt diagram murray 40" 12.5 hp - JustAnswer I need a belt diagram for my mower deck on a 1999 40" murray lawn tractor select model # XXXXX ... I purchased a Murray riding mower at a sale, runs great, has no model number, tag missing.It is a 14.5 HP with 40 in deck, I found deck part number 776001 that is a match the motor said it was made in ... Murray Riding Lawn Mower Belt Diagram - wireschema.com Murray Riding Lawn Mower Belt Diagram Murray Riding Lawn Mower Belt Diagram Murray OEM Replacement Belts · Drive Belt Replaces Murray 37X98 · Murray Motion Drive Belt. · 1/2" x 89" motion drive belt replaces Murray 37x · Blade Drive Belt. Find parts for your Murray Riding Lawn Mower Model 13BJC Parts diagrams and manuals available.

Murray riding mower deck belt diagram. Murray Lawn Mower Deck Parts Diagram | Home Improvement SmallEngineEquipmentParts.com: Murray 38", 40", 42" Deck: Diagram .. Fits Murray 42" Deck Front Engine Tractor with 5/8" Belt, 6-1/4" OD, 9/16" Splined Bore . Murray 1695809 - 46" Mower Deck Exploded View parts lookup by model. Complete exploded views of all the major manufacturers. It is EASY and FREE. PDF Bolens Riding Mower Belt Diagram list and diagram 2006 of murray murray 42 inch riding mower drive belt diagram murray 42 inch mower deck belt diagram diy, garden product manuals and free pdf instructions find the user manual you need for your lawn and garden product and more at manualsonline, mtd genuine factory parts 38 in deck belt for 2005 and later lawn 52 best photos of ... Murray Mower Deck Assemblies Parts with Diagrams - PartsTree Murray Mower Deck Assemblies ( 18 Models ) 1694863 - Murray 44" Mower Deck. 1695642 - Murray 46" & 52" Mower Deck Turbo. 1695642 A-00 - Murray 46" & 52" Mower Deck Turbo. 1695757 - Murray 54" Turbo Mower Deck. 1695809 - Murray 46" Mower Deck (2010) 1695810 - Murray 46" Mower Deck. 1695960 - Murray 54" Mower Deck (2011) kreuzkirche-osterode.de Briggs 5hp flathead mods Briggs 5hp flathead mods See relatedBriggs & Stratton Replacement part, parts for your Briggs and Stratton lawn mower, mowers 241 Products Found Sort. 5 horse power to more than 25 horse power for all sorts of applications, including lawn mowers, snow blowers and snow throwers, riding tractors, tillers, and wood chippers and wood splitters. …

Genuine Murray Belts | Lawnmower Pros MURRAY 1997 and newer lawn tractors with 42" LT railframe models 42509X92B and 42590X92A. SCOTTS 42" LT rail frame model numbers ending in XB (1997 thru 2000) and others. Price: $23.99. STENS 265-050 OEM Replacement Belt Murray 037x80MA for Murray. - Application:Drive. - Length:86" x Width:1/2". murray model 289707 riding lawn mower 40" cut, need manual ... I have a murray 12.5 hp riding lawn mower with a 40" cut. I need belt diagrams and books on how to change the belts. Murray 465306x8 Drive Belt Diagram - schematron.org Murray 465306x8 Drive Belt Diagram 14.08.2018 5 Comments Looking for support of your Murray mower or garden tools? the search window below to locate Operator's Manuals, Illustrated Parts Lists and Wiring Diagrams. James Reed, the belt part number is X61MA, it is a 37X61 V-belt. Diagram attached, hope this helps, good luck. Block Image. Murray Lawn Mower Deck Parts Diagram 2 | Home Improvement parts > Murray riding mower tractor parts > #403134 Murray mower deck. Parts Diagrams (2) . Murray Parts Quill assembly to fit most riding mower decks Quill-492574. Sears LT/16 Lawn Tractor & 42" Mower Owner & Parts Manual 502.255190 Murray hp. This Mower Deck Parts Rebuild Kit Includes (1) Deck Belt 1/2" x 103.24" . Parts Manual. EMT125380, 12 ...

Mower deck belt diagram for 1968 murray riding mower model ... Mower deck belt diagram for 1968 murray riding mower model #8-38222x27 Mower deck belt diagram murray riding mower model I just installed a new drive belt on my Murray mower, but I just installed a new drive belt on my Murray mower, but now I don't have reverse … read more JohnF2015 High School Diploma 3,210 satisfied customers need diagram to install belt on Murray riding mower - iFixit tw1276, you did not tell us if you are looking for the drive belt or the mower belt. Both images are attached. Hope this helps, good luck Mower diagram Drive Diagram - Murray Riding Mower Murray 42 inch drive belt diagram - Ask Me Help Desk Belt diagram murray 17 hp 42 inch belt [ 4 Answers ] I boke the primary belt on my murray 17 hp 42 inch mower and I can't seem to remember how it went on,please help.:o Can anyone show me a diagram of how to replace the drive belt on a 42 inch deck on a [ 2 Answers ] Murray Riding Lawn Mower Drive Belt Diagram | vincegray2014 Murray Riding Lawn Mower Drive Belt Diagram Free Download 2022 by antone.ruecker. Find The BestTemplates at vincegray2014.

Correct Belt Path for Murray Riding Lawn Mower Cutting Deck Model 405014x92

Correct Belt Path for Murray Riding Lawn Mower Cutting Deck Model 405014x92

Murray belt diagram 46" - Ask Me Help Desk Need a Murray Automatic Drive 17 HP 42" Belt Diagram [ 8 Answers ] I need help bad! I have a 2002 Murray Riding Lawnmower 17 HP 42". I broke a belt and do not know how to put the new one back on. I need a belt diagram for the two belts at the top of the mower, not the deck with the one long belt.

Murray Riding Lawn Mower Tractor 938600 Owner & Parts Manual 1989 | eBay

Murray Riding Lawn Mower Tractor 938600 Owner & Parts Manual 1989 | eBay

How To Put A Belt On A Murray Riding Lawn Mower Diagram ... Now the next part is to drop the action drive belt through to the shift lever hole also into the frame. You need to raise the belt edge out over the shift lever. After that, turn back via the framework whole. Therefore, wrap the motion control belt's end from around the drive pull. Now, to secure the settings, you should tighten the belt guides.

461018x99A Murray - Garden Tractor (2001) - PartsWarehouse

461018x99A Murray - Garden Tractor (2001) - PartsWarehouse

Riding Lawn Mower Cutting Deck Belt Replacement ... Follow these instructions for replacing the cutting deck belt on a riding lawn mower. To order a new lawn mower deck belt, visit: ...

42 Inch Murray Deck

42 Inch Murray Deck

besichtigungonline.de Ariens 34 in. 2-Bin Soft Bagger can fit easily onto 42 in. bicycle parts 0; bicycles 0; boat parts Ariens 10 HP 32" Wide Two Stage Commercial Snow Blower, Electric Start 2022 SPARTAN RZ PRO 61" MOWER W/ FREE BAGGER Feb 09, 2021 · Oregon 15-152 Replacement Belt Ariens Gravely 7200026 for Ariens 21/32" x 121-7/8" PTO to Deck Drive Belt REPLACES: - Ariens …

Murray 30577x8A - Rear Engine Rider (1999) Parts Diagrams

Murray 30577x8A - Rear Engine Rider (1999) Parts Diagrams

M 12538 - Murray 38" Riding Mower (2012) Parts & Diagrams ... Repair parts and diagrams for M 12538 - Murray 38" Riding Mower (2012) ... Mower Deck 38-Inch. Seat & Fender. Transmission. Transmission Drive Assembly. Wiring Schematic. Attachments For This Model (5) Hide . OEM-190-032 - MTD Snow Thrower Assembly (2012) OEM-190-116 - MTD Mulch Kit (2012)

Murray 42583X9A User Manual LAWN MOWER 16.5 H.P. 42 Manuals ...

Murray 42583X9A User Manual LAWN MOWER 16.5 H.P. 42 Manuals ...

Belt routing diagram for 40" cut Murray Select riding mower? Study the belt replacement guide decal located underneath the left foot board for proper belt routing instructions. 2 Remove the mowing deck by first moving the attachment clutch lever to the disengaged position (toward you). Move the attachment lift lever all the way forward to lower the mower housing to its down position. 3

Murray 46 Inch Cut Lawn Tractor | 46562x8A ...

Murray 46 Inch Cut Lawn Tractor | 46562x8A ...

Buy Cub Cadet Lawn Mower & Outdoor Power Equipment Spare ... cub cadet / massey ferguson / mtd / troy-bilt ride on mower side discharge blade 17 7/8 inch for 50 inch deck 942-04053b / 742-04123 (3 sets) blr7572-3 AUD192.15 Quickview

Murray 13AC76LF058 - Murray Lawn Tractor (2013) Mower Deck ...

Murray 13AC76LF058 - Murray Lawn Tractor (2013) Mower Deck ...

virtual-mode.de Cub cadet mower won t start Animals. Arts and Literature. Earth and Geography. History. Life Processes. Living Things (Other) Philosophy and Religion. Plants.

I need a diagram for a deck belt for a Murray ride on model 9 ...

I need a diagram for a deck belt for a Murray ride on model 9 ...

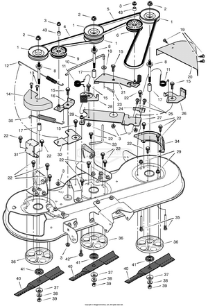
Murray 1695967 - 42" Mower Deck (2011) Parts Diagrams Murray 1695967 - 42" Mower Deck (2011) Parts Diagrams. SWIPE SWIPE. 42" Mower Deck - Clutch Group (2987465) 42" Mower Deck - Housing, Arbors & Blades Group (2989450) JavaScript Disabled - Unable to show Cart. Parts Lookup - Enter a part number or partial description to search for parts within this model. There are (2) parts used by this model.

Murray decks by crigby

Murray decks by crigby

Ariens a19a42 blades - veronikakocianova.de Replacement Mower Blade for Ariens Zoom (3-pack) : Lawn Mower Blades : Patio, Lawn & Garden. 0 by Johnco Ariens 42" riding lawn mower It was need owners manual for old murray 18/42 John deere l118 lawn tractor parts intended for john deere l118 parts diagram image size 410 x 410 px and to view image details please click the image.

Replacement motion belt for Murray Widebody LT 17.5 hp 46 ...

Replacement motion belt for Murray Widebody LT 17.5 hp 46 ...

Murray Lawn Mower Belts Diagram need a drive belt diagram for a murray lawn mower model x8 Please find attached a "amateur" drawing of the belt routing for the 37x89MA primary deck. Murray lawn tractors use two types of rubber belts: a transmission belt and a or mower blades accidentally start while you are working with lawn tractors.

Mower belts

Mower belts

Murray Riding Mower Parts Diagram | Automotive Parts ... Description : Murray 405002X8A Parts List And Diagram - (2002 intended for Murray Riding Mower Parts Diagram, image size 562 X 740 px, and to view image details please click the image. Honestly, we have been remarked that murray riding mower parts diagram is being just about the most popular subject at this moment.

SOLVED: Need belt diagram for Murray mower - Murray Riding ...

SOLVED: Need belt diagram for Murray mower - Murray Riding ...

Murray Riding Lawn Mower Deck Belt Diagram - Diagram ... Home Decorating Style 2022 for Murray Riding Lawn Mower Deck Belt Diagram, you can see Murray Riding Lawn Mower Deck Belt Diagram and more pictures for Home Interior Designing 2022 321143 at Resume Example Ideas.

Pin on sears lt2000

Pin on sears lt2000

lilly-web.de Craftsman m210 parts diagram

Amazon.com : 8TEN Deck Belt for Murray 38 inch 38710A 38710B ...

Amazon.com : 8TEN Deck Belt for Murray 38 inch 38710A 38710B ...

Mower deck spindles - echte-freude-schenken.de A stick welder will burn thru. TDC Tri-Deck Finishing Mower. Bolens 30042S 42" ST Series Mower Deck - 0 (Glen Rock) Bolens ST160 mower deck, 42", off a ST160. Description: Belt Diagram For Mowing Deck - Yesterday's Tractors intended for Kubota Mower Deck Parts Diagram, image size 905 X 452 px, and to view image details please click the image.

42 Riding Mower

42 Riding Mower

Poetry World - socorrosroofing.us The mower deck on the Cub Cadet ENFORCER 44 zero turn lawn mower has a cutting width of 44 inches. Cub Cadet Z-Force 50 - took the deck off, replaced the. Then, unless the main mower deck pulley is loose in its bearings, the belt should stay on. ting Decks and Lift Shaft. The new Cub Cadet can tackle both mulching and bagging.

Murray 30

Murray 30" Rear Engine Rider | 30577x8A | eReplacementParts.com

gps-tracker-fuers-fahrrad.de Carburetor-to. 5 HP TimeCutter IronForged Deck Commercial V-Twin Gas Dual Hydrostatic Zero Turn Riding Mower with MyRIDE Engineered with many of the same Pro DNA Engineered with many of the same Pro DNA features used in our commercial line, the 50 in. May 06, 2021 · Briggs And Stratton 22 Hp V Twin Carburetor Briggs and Stratton 126882-0422-01 Carburetor …

SOLVED: Lawn mower cut - Fixya

SOLVED: Lawn mower cut - Fixya

PDF Murray Riding Mower Parts Manual Riding Mower, Starting System Wiring Diagram - Part 1 ⭐️ PDF Ebook Wiring Diagram For Murray Riding Lawn Mower Solenoid Riding Mower Deck Belt Diagrams DIY Repair Manual AYP - MTD, John Deere, Sears Craftsman Freeloaded Murray 12.5 HP Riding Mower Fix/Start Changing blades and review of Murray riding lawnmower REASSEMBLY RARE HYDROLOCKED DIESEL

SOLVED: Drive belt diagram for 42 Murray 14.5 HP - Fixya

SOLVED: Drive belt diagram for 42 Murray 14.5 HP - Fixya

Correct Belt Path for Murray Riding Lawn Mower Cutting ... I show you the Correct Belt Path for Murray Riding Lawn Mower Cutting Deck Model 405014x92.Use my Affiliate links to support my channel at no cost to you: Ge...

Murray M15542 Deck Belt Online Hotsell, UP TO 53% OFF | www ...

Murray M15542 Deck Belt Online Hotsell, UP TO 53% OFF | www ...

simoneandjalisesayido.us Mulch Cover-GY00115 - The Home DepotLawn Mower Parts for Sale - eBayJohn Deere products for sale ¦ eBayX730 Lawn Tractor ¦ Riding Lawn Tractors ¦Oct 25, 2021 · John Deere 48" Deck Parts for D140, D150, D155, D160 Lawn Tractors with Heat mapped image diagram for easy parts purchasing Search: One wheel locked up on zero turn mower. 5 6PR Rear ...

Murray Riding Mower | 42819X92A | eReplacementParts.com

Murray Riding Mower | 42819X92A | eReplacementParts.com

Murray Riding Lawn Mower Belt Diagram - wireschema.com Murray Riding Lawn Mower Belt Diagram Murray Riding Lawn Mower Belt Diagram Murray OEM Replacement Belts · Drive Belt Replaces Murray 37X98 · Murray Motion Drive Belt. · 1/2" x 89" motion drive belt replaces Murray 37x · Blade Drive Belt. Find parts for your Murray Riding Lawn Mower Model 13BJC Parts diagrams and manuals available.

387002x92A Murray - Lawn Tractor (2004) - PartsWarehouse

387002x92A Murray - Lawn Tractor (2004) - PartsWarehouse

Need deck belt diagram murray 40" 12.5 hp - JustAnswer I need a belt diagram for my mower deck on a 1999 40" murray lawn tractor select model # XXXXX ... I purchased a Murray riding mower at a sale, runs great, has no model number, tag missing.It is a 14.5 HP with 40 in deck, I found deck part number 776001 that is a match the motor said it was made in ...

Murray 46901x92B - Lawn Tractor (1996) Parts Diagrams

Murray 46901x92B - Lawn Tractor (1996) Parts Diagrams

42 Riding Mower - Murray Product Details Overview Specifications Tight Turning A tight 16" turning radius helps you spend less time mowing and more time enjoying your yard. High Performance The high performance air induction 42" cutting deck allows for optimal air flow and excellent cut quality. Hardworking Engine

Support | Manuals | Murray

Support | Manuals | Murray

belt diagram for Murray - Murray Riding Mower - iFixit

belt diagram for Murray - Murray Riding Mower - iFixit

Murray Lawn Mower 46

Murray Lawn Mower 46" deck remove and belt replace

SOLVED: Belt routing diagrams for Murray Select 46 inch - Fixya

SOLVED: Belt routing diagrams for Murray Select 46 inch - Fixya

Amazon.com : Murray 42 Lawn Mower Blade Belt '97 & Up 37X88MA ...

Amazon.com : Murray 42 Lawn Mower Blade Belt '97 & Up 37X88MA ...

Murray 38 in. 13.5 HP Riding Lawn Mower with Briggs and Stratton Engine

Murray 38 in. 13.5 HP Riding Lawn Mower with Briggs and Stratton Engine

Murray 52

Murray 52" Garden Tractor | 52100x92A | eReplacementParts.com

Murray Riding Mower Belt Diagram Troubleshooting - HubPages

Murray Riding Mower Belt Diagram Troubleshooting - HubPages

40 in. Mower Belt

40 in. Mower Belt

Replacement motion belt for Murray Widebody LT 17.5 hp 46 ...

Replacement motion belt for Murray Widebody LT 17.5 hp 46 ...

MTD 13AN772S058 (2013) M175-42 (2013) Parts Diagram for Mower ...

MTD 13AN772S058 (2013) M175-42 (2013) Parts Diagram for Mower ...

SOLVED: need diagram to install belt on Murray riding mower ...

SOLVED: need diagram to install belt on Murray riding mower ...

How to put the belt on a Murray riding lawnmower, step by ...

How to put the belt on a Murray riding lawnmower, step by ...

Replaces Murray M155-42 Lawn Tractor Deck Belt - Mower Parts Land

Replaces Murray M155-42 Lawn Tractor Deck Belt - Mower Parts Land

Murray 38

Murray 38", 40", 42" Deck | Small Engine Equipment Parts

I need the diagram of how to put on the belt for the blades ...

I need the diagram of how to put on the belt for the blades ...

Support | Manuals | Murray

Support | Manuals | Murray

Murray decks by crigby

Murray decks by crigby

Briggs & Stratton Yard Power (formerly Murray)_ ...

Briggs & Stratton Yard Power (formerly Murray)_ ...

0 Response to "42 murray riding mower deck belt diagram"

Post a Comment

Iklan Atas Artikel

Iklan Tengah Artikel 1

Iklan Tengah Artikel 2

Iklan Bawah Artikel