45 mtd mower parts diagram
MTD Gold Riding Lawn Mower - 13AX795S004 | MTD Parts MTD Products LLC P.O. Box 368022. Cleveland, OH 44136 Cleveland, OH 44136 If you experience any problems accessing this website, please call us at 1-800-269-6215 for assistance. Walk-Behind Lawn Mower Parts | MTD Parts You want to keep your push mower operating at peak condition, and MTD is here for you when you need genuine MTD mower parts. Browse our wide selection of walk-behind mower parts, including Blades, Belts, and Engine Parts, so you never miss a step!Here you'll find high quality lawn mower parts to keep your mower running properly.
MTD 13AO771H055 (2009) Parts Diagram for Mower Deck 46 Inch MTD 13AO771H055 (2009) Mower Deck 46 Inch Parts Diagram. SWIPE SWIPE. .Quick Reference 13AO771H055. Engine Accessories B&S Model 28. Frame and PTO Lift.

Mtd mower parts diagram
MTD 13AM775S000 (2015) Parts Diagram for Mower Deck 42-Inch MTD 13AM775S000 (2015) Mower Deck 42-Inch Exploded View parts lookup by model. Complete exploded views of all the major manufacturers. It is EASY and FREE MTD Lawn Mower Parts 1986 | Fast Shipping ... MTD Lawn Mower 1986 parts that fit, straight from the manufacturer. Use our interactive diagrams, accessories, and expert repair help to fix your MTD Lawn Mower 1986 Spare parts catalog - MTD INTERNATIONAL Petrol mowers Electric mowers Lawn tractors Riding mowers Snow throwers Petrol scarifiers Electric scarifiers Sweepers Cultivators/Tillers Rear tine tillers Log-splitter Electric chainsaw Petrol chainsaw Leaf blower Electric shredder Engines.
Mtd mower parts diagram. MTD Parts Lookup by Model - Jacks Small Engines Platinum. Remington (2009 & After) Robomow. Ryobi Outdoor (2000-2004) Snapper. Trimmer Plus. White Outdoor. Parts Lookup and OEM Diagrams | PartsTree Repair parts lookup and OEM diagrams for outdoor equipment like Toro lawn mowers, Cub Cadet tractors, Husqvarna chainsaws, Echo trimmers, Briggs engines. ... (111-010R105) - MTD Legacy Walk-Behind Mower (1991) (American Hardware) 0252A - MTD Walk-Behind Mower, Electric (1986) (J.C. Penney) ... Replacement Parts & Service - MTD Products Find the Right Part for Your Machine. Search for parts using your model number, or the part number you are replacing. Use our parts diagram tool below to find the parts you need for your machine. Select the model and year, then browse the parts diagrams to find the right part. Add to cart when you're ready to purchase and we'll ship it to you ... MTD Spares & Genuine MTD Parts - DIY Spare Parts MTD B BELT. 754-0151. MTD BEARING FLANGE .503 ID. 748-0108. MTD NO LONGER AVAILABLE 10/06/14. 746-0629. MTD TRANSMISSION BELT. 754-0444. View the complete MTD price list price list, containing descriptions, superseded part numbers and prices.
MTD Parts | The leader in outdoor power equipment parts ... MTD Products LLC P.O. Box 368022. Cleveland, OH 44136 Cleveland, OH 44136 If you experience any problems accessing this website, please call us at 1-800-269-6215 for assistance. MTD Lawn Mower Parts | Fast Shipping | eReplacementParts.com MTD Lawn Mower parts that fit, straight from the manufacturer. Use our interactive diagrams, accessories, and expert repair help to fix your MTD Lawn Mower . Please note shipping times may be longer than expected due to carrier delays. 877-346-4814. Departments Accessories ... MMZ-2560 - MTD Pro Zero-Turn Mower Parts & Diagrams Parts ... MMZ-2560 - MTD Pro Zero-Turn Mower Parts & Diagrams Parts Lists & Diagrams. Pro Zero-Turn Mower. Recommended Parts Show $ $ $ $ $ $ $ $ $ $ MMZ-2560 - MTD Pro Zero-Turn Mower > Parts Diagrams (31) Hide . Assembly Pump Left Hand. Assembly Pump Right Hand. Brake Assembly. Control Assembly ... Manuals & Diagrams - MTD Parts Engine Service & Support - Technical, Parts, Manuals and Warranty. 40126 Views • Sep 22, 2017 • FAQ.
MTD Mower Deck Assemblies Parts with Diagrams - PartsTree MTD Mower Deck Assemblies ( 544 Models ) 118-050C000 - MTD Mower Deck Assembly Only (1988) 118-051C000 - MTD Mower Deck Assembly Only (1988) 118-052C000 - MTD Mower Deck Assembly Only (1988) 118-053C000 - MTD Mower Deck Assembly Only (1988) 118-054C000 - MTD Mower Deck Assembly Only (1988) MTD Lawn & Garden Tractors Parts with Diagrams - PartsTree MTD Lawn & Garden Tractors Parts Lookup & Diagrams MTD Lawn & Garden Tractors ( 2967 Models ) 02296 (139-622-105) - MTD Legacy Lawn Tractor (1989) (American Hardware) Mtd Riding Mower Parts Diagram | Automotive Parts Diagram ... Description: Yard Man 13Ao772H755 Parts List And Diagram – (2007 intended for Mtd Riding Mower Parts Diagram, image size 590 X 764 px, and to view image details please click the image. Honestly, we also have been realized that mtd riding mower parts diagram is being just about the most popular subject right now. So that we attempted to obtain some great mtd riding mower parts diagram image for your needs. MTD 13WC762F065 (2011) Parts Diagram for Mower Deck 38-Inch MTD 13WC762F065 (2011) Mower Deck 38-Inch Exploded View parts lookup by model. Complete exploded views of all the major manufacturers. It is EASY and FREE
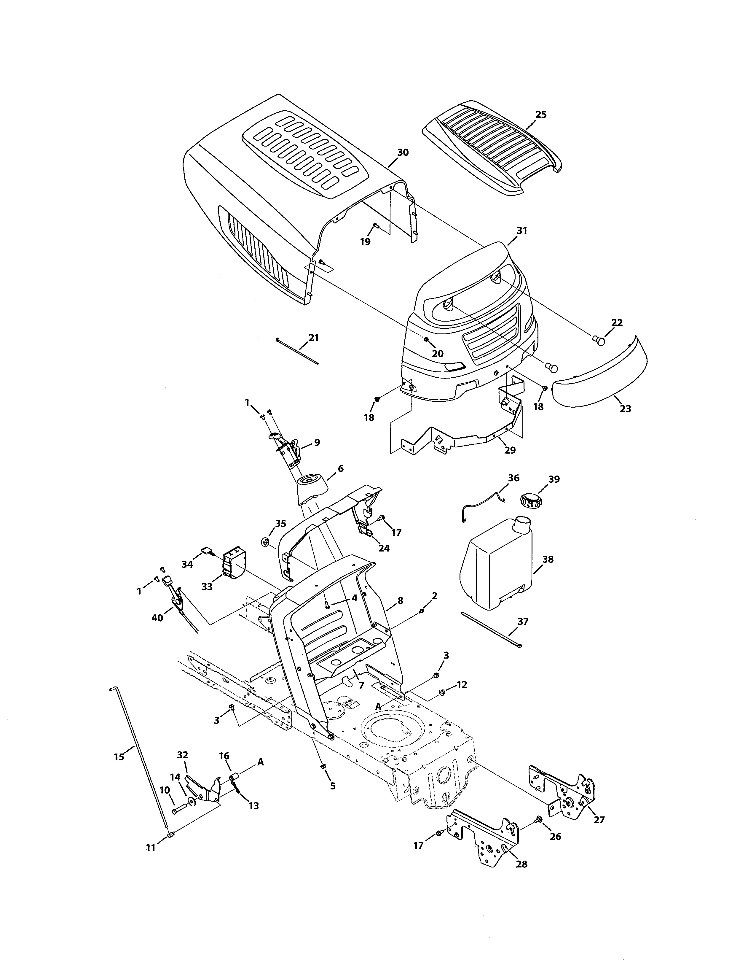
Mtd Lawn Mower Parts Diagram - Automotive Parts Diagram Images Description: Mtd 13Ax795S004 Parts List And Diagram - (2011 in Mtd Lawn Mower Parts Diagram, image size 620 X 802 px, and to view image details please click the image.. Truly, we also have been realized that mtd lawn mower parts diagram is being one of the most popular field at this time. So that we attempted to get some good mtd lawn mower parts diagram image to suit your needs.
MTD Illustrated Parts Lists and Diagrams | Lawnmower Pros MTD Illustrated Parts Lists and Diagrams available online from an Authorized MTD Dealer. Free tech support. 365 day returns. Worldwide shipping.
MTD Products US MTD began as The Modern Tool and Die Company in 1932 in Cleveland, Ohio. Back then, we provided stamping, dies and tooling for other manufacturers, eventually diversifying into consumer products. See Our History.
MTD Walk-Behind Mowers Parts with Diagrams - PartsTree MTD Walk-Behind Mowers Parts Lookup & Diagrams MTD Walk-Behind Mowers ( 3106 Models ) 020 (115-020-063) - MTD Walk-Behind Mower (1985) (Sentry Hardware)
Lookup Parts by Diagram - MTD Parts | The leader in ... Lookup Parts by Diagram Find the replacement parts you need to keep your lawn mower, snow blower and other outdoor power equipment performing strong and running like new. You can Browse our catalogs, or Search by Part Number or 11-digit factory Model Number to find your product's exploded Diagram Assemblies.
Lookup Parts by Diagram - MTD Parts Canada Lookup Parts by Diagram. Find the replacement parts you need to keep your lawn mower, snow blower and other outdoor power equipment performing strong and running like new. You can Browse our catalogs, or Search by Part Number or 11-digit factory Model Number to find your product's exploded Diagram Assemblies.
MTD Parts diagrams and MTD Parts for repair of MTD Lawn ... We carry the complete line of genuine MTD parts for all MTD machines including lawnmowers, snowblowers, trimmers, tractors and more. Finding your MTD parts is simple with our online parts diagrams: 1. Click your MTD model number from the list below to view a printable parts diagram. The parts diagram will open as a pdf file in a new window.
MTD Parts at Jack's - Lawn Mower Parts | Small Engine Parts MTD Parts MTD Parts: We carry replacement parts and accessories for your MTD lawn mower, snow blower, and other lawn & garden equipment. Whether you need a new air filter, mower blade, or carburetor, we have a large selection of MTD parts to help you fix your equipment.
Mtd mower deck spring location - veronikakocianova.de The long belt on the mower deck continues to break. 205344) MOWER PARTS WAREHOUSE is a place to buy quality parts for less. 4-Cycle Complete Carburetors. 13AX795S004 - MTD Gold Lawn Tractor (2013) Mower Deck 42-Inch Parts Diagram.
Riding Lawn Mower Parts | MTD Parts Lawn maintenance is easier with MTD lawn tractors. They allow you to haul equipment, soil, tools and more around your yard. Genuine MTD lawn tractor parts can help you maintain your outdoor power equipment long-term. Find riding lawn mower blades, belts, cables and more to repair your unit as needed. 908 Results.
Spare parts catalog - MTD INTERNATIONAL Petrol mowers Electric mowers Lawn tractors Riding mowers Snow throwers Petrol scarifiers Electric scarifiers Sweepers Cultivators/Tillers Rear tine tillers Log-splitter Electric chainsaw Petrol chainsaw Leaf blower Electric shredder Engines.
MTD Lawn Mower Parts 1986 | Fast Shipping ... MTD Lawn Mower 1986 parts that fit, straight from the manufacturer. Use our interactive diagrams, accessories, and expert repair help to fix your MTD Lawn Mower 1986
MTD 13AM775S000 (2015) Parts Diagram for Mower Deck 42-Inch MTD 13AM775S000 (2015) Mower Deck 42-Inch Exploded View parts lookup by model. Complete exploded views of all the major manufacturers. It is EASY and FREE
0 Response to "45 mtd mower parts diagram"
Post a Comment