Iklan 300x250

45 craftsman gt5000 mower deck belt diagram

Craftsman GT5000 - Tractor Review The Craftsman GT5000 garden tractor lawnmower is quite similar to the Craftsman 54 Inch 26 hp Lawn Tractor as they both have the same sized mower deck and same power output from their engines. However there is a fair few differences among them. The mower deck on the GT5000 lawn tractor has a cutting width of 54 inches although it's total width is a good bit bigger due to the plastic ... Craftsman Lawn & Garden Tractors Parts with Diagrams ... Craftsman Lawn & Garden Tractors Parts Lookup & Diagrams Craftsman Lawn & Garden Tractors ( 218 Models ) 107.250040 (2691085-00) - Craftsman CTX9000 Series 42" Lawn Tractor, 20hp (2012)

Craftsman Gt5000 Deck Belt Diagram Craftsman Gt5000 Deck Belt Diagram Craftsman Gt5000 Deck Belt Diagram Craftsman - GT 26 HP/54'' Garden Tractor Manual Online: To Replace Mower Drive Belt. MOWER DRIVE BELT REMOVAL 1, Park tractor on a level surface, Engage parking brake. 2_ Lower and entire upper deck surface,. 6.

Craftsman gt5000 mower deck belt diagram

Craftsman gt5000 mower deck belt diagram

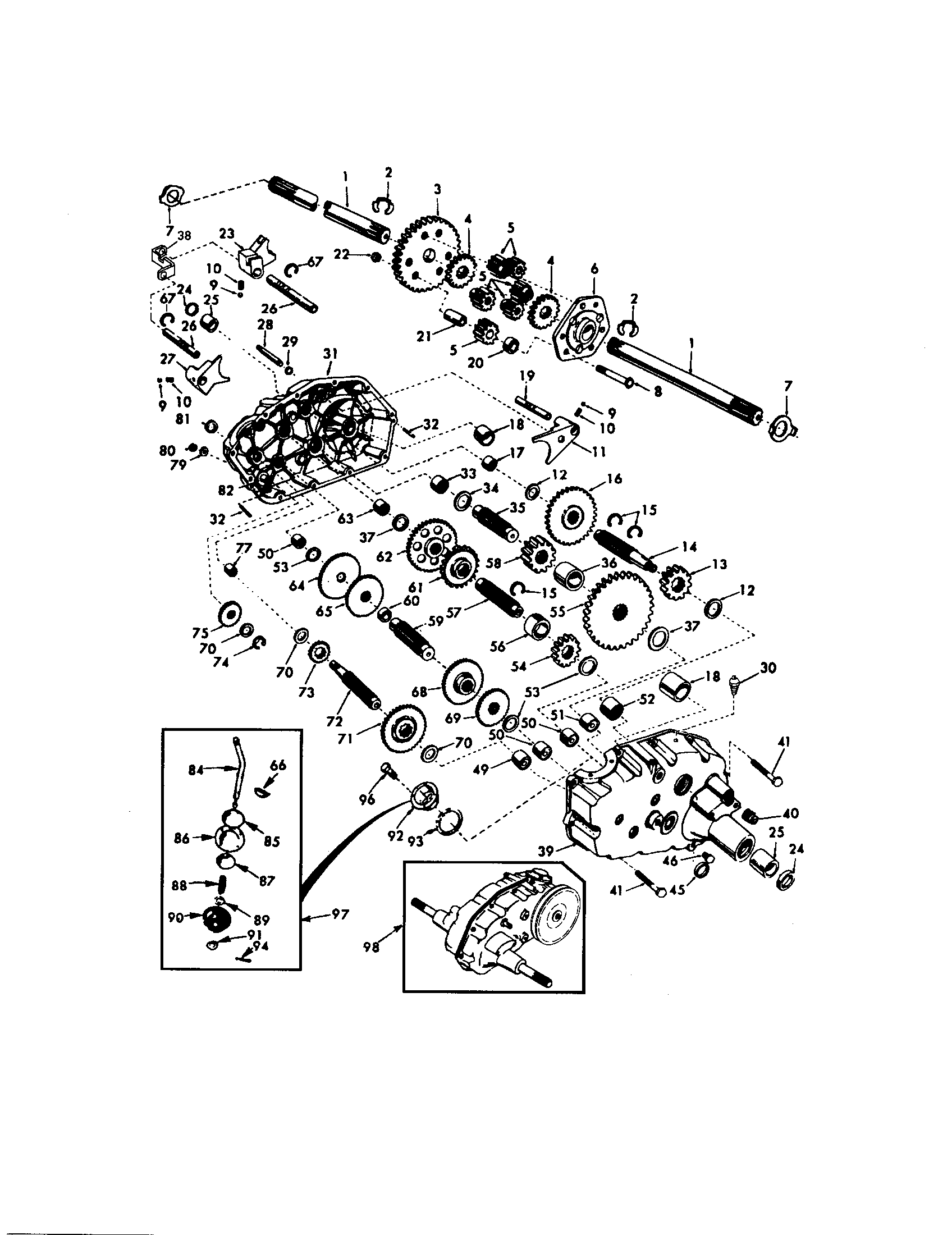
Craftsman Gt5000 Lawn Tractor Parts Diagram - Diagrams ... Craftsman Gt5000 Lawn Tractor Parts Diagram. Aaron Dean August 6, 2021. 21 Gallery Of Craftsman Gt5000 Lawn Tractor Parts Diagram. ... Craftsman 42 Inch Riding Lawn Mower Drive Belt Diagram. Honda Lawn Mower Carburetor Parts Diagram. John Deere Lawn Tractor Attachments Brochure. PDF Craftsman gt5000 48 deck belt size - Weebly Craftsman gt5000 48 deck belt size The Craftsman GT 5000 series garden tractors were manufactured for Sears stores by the Husqvarna Group from 2009 to 2011. It is equipped with a mid-mount mower deck and hydro-static transmission. The mower deck is turned by a mower drive belt, while the hydro-static transmission is powered by a motion drive belt. Drive Belt Routing Diagram Craftsman - drive belt diagram ... Drive Belt Routing Diagram Craftsman - 16 images - drive belt diagram, 26 craftsman lawn mower drive belt diagram free wiring, what do i have to do to put a new transmission drive belt, answers to some of the most commonly asked questions about,

Craftsman gt5000 mower deck belt diagram. How to Replace Belts for a Craftsman GT 5000 | Home Guides ... Motion Drive Belt Replacement 1. Remove the mower deck from under the garden tractor frame to access the motion drive belt and motion drive belt components. 2. Disconnect the clutch wire harness... Craftsman Gt5000 Mower Deck Belt Diagram - schematron.org Craftsman Gt5000 Mower Deck Belt Diagram 11.05.2019 3 Comments The Craftsman GT series garden tractors were manufactured for Sears stores by the The mower deck is turned by a mower drive belt, while the hydro- static Both are poly V-belts that eventually require replacement because they are. Craftsman Gt5000 Mower Deck Belt Diagram Craftsman Gt5000 Mower Deck Belt Diagram modelNumber=&pop=flush Enter your model # and search, scroll down to mower deck, and there ya diagramweb.net's an easy one. Straight. I need help on how to install a belt in a GT 54" Riding lawnmower. Diagram regarding installing a belt on your Craftsman riding mower. Craftsman Gt5000 Belt Routing Diagram - wiringall.com Install belt in both idlers. Install new belt onto electric clutch pulley. Carefully roll belt into upper groove of R.H. mandrel pulley. Carefully check belt routing making sure belt is in the grooves correctly. Reconnect R.H. suspension arm to rear deck bracket with retainer spring. Reassemble R.H. mandrel cover.

Image result for craftsman GT 5000 lawn mower wiring ... Aug 1, 2018 - Image result for craftsman GT 5000 lawn mower wiring diagram. Pinterest. Today. Explore. ... Murray Lawn Mower Deck Parts Diagram. Murray Lawn Mower Deck Parts Diagram. R. Rickyvaughnnew. ... John Deere GT275 drive belt diagram for installation. Lawn Tractor 48-in Deck Assembly 583255101 parts | Sears ... This deck assembly (part number 583255101) is for lawn tractors. Deck assembly 583255101 houses the blades. It includes the pulleys and mandrels. Let the engine cool and disconnect the spark plug wires before servicing the lawn tractor. Wear work gloves to protect your hands. Lawn Tractor Blade Drive Belt, 5/8 x 88-15/16-in 180808 ... A perfect fit for the GT 5000 Craftsman deck mower. Simply remove the deck from your garden tractor. Primary and secondary mower belts are right there. Then remove both belt guards. Either belt is now ready for replacement. Craftsman gt5000 drive belt diagram Craftsman Gt5000 Drive Belt Diagram. How to Replace Belts for a Craftsman GT 5000. View and Download Craftsman 917276021 owners manual online. It can typically be found on the underside of the housing or within the repair. Belt diagram for craftsman 46 model917258691 i am replacing the secondary belt.

Craftsman GT 50" Deck Belt Upgrade! - YouTube In this short snack of a video, Taryl goes over how to upgrade your Craftsman GT 50" Riding Mower Deck Belt! Instead of using that old 1/2" belt that doesn't... Craftsman gt5000 mower deck diagram The routing diagram for a craftsman gt 5000 ground drive belt shows how the best must be wrapped around each pulley. Greetings I recently obtained a GT5000 rider that runs great. Sway Bar 174373 Arm Idler Secondary 4939M Retainer Spring 180806 Cover Mandrel Deck 178024 Arm Suspension Rear 137729 Screw Thdroll. Craftsman Gt5000 Drive Belt Diagram - schematron.org Craftsman Gt5000 Drive Belt Diagram 15.03.2019 7 Comments Need help with the proper routing of the ground drive belt. Also after attempting to install new belt the mower now moves forward in reverse gear and backwards. I need help on how to install a belt in a GT 54" Riding lawnmower. Diagram or videos will be really helpful. is the model. New Sears Craftsman GT5000 48" Lawn Mower Deck Rebuild Kit This item: New Sears Craftsman GT5000 48" Lawn Mower Deck Rebuild Kit. $225.95. Only 1 left in stock - order soon. Ships from and sold by lawnmowerpartsworld. FREE Shipping. HD Switch - 4 Pack - 9040H - 9040-H Front Wheel Bushing to Bearing Conversion Kit Replaces Craftsman, Sears, AYP, Poulan, Husqvarna Jonsered Weed Eater Roper Murray Noma ...

Craftsman Riding Mower Drive Belt Diagram- A Step By Step ...

Craftsman Riding Mower Drive Belt Diagram- A Step By Step ...

54 in Deck Drive Belt | CRAFTSMAN 54 in Deck Drive Belt 5.0 (3) Replacement belt for CRAFTSMAN® lawn tractors using part #954-05025 / 754-05025 Add to Wishlist Features RESISTS WEAR: Belts are manufactured using specifically engineered materials, including high-strength tensile cords designed to resist wear and provide superior durability.

Craftsman Gt5000 Drive Belt Size Outlet Online, UP TO 67% OFF ...

Craftsman Gt5000 Drive Belt Size Outlet Online, UP TO 67% OFF ...

Sears Craftsman GT5000 48" Lawn Mower Deck Parts Rebuild ... SKU: 3-11014,180054,1-12513,11634,11633,180808,174368 Condition: New Weight: 10.00 LBS Brand: Unbranded MPN: 174356 173921 174368 Title: Pulleys Blades Belts Spindles

Craftsman PTO belt replacement

Craftsman PTO belt replacement

Craftsman Lawn Mower Parts Diagram - Diagrams : Resume ... 21 Gallery Of Craftsman Lawn Mower Parts Diagram. ... Craftsman Gt5000 Lawn Tractor Parts Diagram. ... Craftsman 42 Inch Mower Deck Belt Diagram. Lawn Mower Carb Diagram. Mtd Lawn Mower Carburetor Diagram. Honda Lawn Mower Carburetor Diagram. About The Author Larry Alvarado.

Craftsman GT 46

Craftsman GT 46" to 50" deck swap? | My Tractor Forum

Craftsman GT5000 belt - Lawn Mower Forum The GT5000 has TWO belts, plastic covers over the bottom pulleys, an electric clutch, and very little clearance under the rider to service it even with the deck all the way down. The broken belt appears to be the top belt which goes to the front pulley with the other underneath it around the blade pulleys. I have these questions please:

Craftsman GT5000 Garden Lawn tractor - RonMowers

Craftsman GT5000 Garden Lawn tractor - RonMowers

Lawnmowers Parts & Accessories New Sears Craftsman GT5000 ... NEW SEARS CRAFTSMAN GT5000 LAWN TRACTOR 48" DECK REBUILD KIT KIT INCLUDES: (1) 90" x 5/8" Primary Belt - Replaces Sears 174368 (1) 89" x 5/8" Secondary Belt - Replaces Sears 180808 (1) Idler Pulley - Replaces Sears 175820 (1) Idler Pulley - Replaces Sears 177968 (1) Spindle Pulley - replaces Sears 174375 [actual picture not shown] (3) 16-5/8" Blades - Replaces Sears 173921 OR 180054 You may ...

Kubota RCK48-LT23(T2380A) Parts MOWER H10002 TENSION PULLEY ...

Kubota RCK48-LT23(T2380A) Parts MOWER H10002 TENSION PULLEY ...

Sears Craftsman DGT 6000 GT 5000 54" Lawn Mower Deck Parts ... Sears Craftsman DGT 6000, DGT6000, GT 5000, GT5000 54" Lawn Tractor Mower Deck Parts Rebuild Kit. Includes (3) Spindle Assemblies 532187292, (3) 18-1/2" Blades 532187254, (3) Spindle Pulleys 532153535, (1) Deck Belt 532191273

CRAFTSMAN 917.275970 OWNER'S MANUAL Pdf Download | ManualsLib

CRAFTSMAN 917.275970 OWNER'S MANUAL Pdf Download | ManualsLib

Riding Mower Deck Belt Diagram DIY - YouTube Visit Website: belt routing diagrams for Craftsman, MTD, Yard Man, all brands of riding mowers and lawn tractors.Vi...

Deck Assembly 48

Deck Assembly 48"- Model 125 2016 Grasshopper Lawn Mower ...

Drive Belt Routing Diagram Craftsman - drive belt diagram ... Drive Belt Routing Diagram Craftsman - 16 images - drive belt diagram, 26 craftsman lawn mower drive belt diagram free wiring, what do i have to do to put a new transmission drive belt, answers to some of the most commonly asked questions about,

Craftsman Riding Mower | 917276020 | eReplacementParts.com

Craftsman Riding Mower | 917276020 | eReplacementParts.com

PDF Craftsman gt5000 48 deck belt size - Weebly Craftsman gt5000 48 deck belt size The Craftsman GT 5000 series garden tractors were manufactured for Sears stores by the Husqvarna Group from 2009 to 2011. It is equipped with a mid-mount mower deck and hydro-static transmission. The mower deck is turned by a mower drive belt, while the hydro-static transmission is powered by a motion drive belt.

Craftsman Riding Lawn Mower Deck V-Belt Replacement ...

Craftsman Riding Lawn Mower Deck V-Belt Replacement ...

Craftsman Gt5000 Lawn Tractor Parts Diagram - Diagrams ... Craftsman Gt5000 Lawn Tractor Parts Diagram. Aaron Dean August 6, 2021. 21 Gallery Of Craftsman Gt5000 Lawn Tractor Parts Diagram. ... Craftsman 42 Inch Riding Lawn Mower Drive Belt Diagram. Honda Lawn Mower Carburetor Parts Diagram. John Deere Lawn Tractor Attachments Brochure.

Karts and Parts Set of 6 Sears Craftsman 54

Karts and Parts Set of 6 Sears Craftsman 54" DGS 6500 DGS6500 DYS 4500, DYS4500 G5000, GT 5000 GT5000 GT 6000 GT6000 T3000 YT 4500 YT4500 Replacement ...

SOLVED: I need a actual picture of the installed drive belt ...

SOLVED: I need a actual picture of the installed drive belt ...

How to put belt on the mower deck - Craftsman Riding Mower ...

How to put belt on the mower deck - Craftsman Riding Mower ...

48

48" Deck Drive Belt AYP 161597 Poulan Pro 75-653 Craftsman GT5000

How to replace a ground drive belt on a riding lawn mower ...

How to replace a ground drive belt on a riding lawn mower ...

48

48" Deck Drive Belt AYP 161597 Poulan Pro 75-653 Craftsman GT5000

K-Force Kevlar Replacement Lawn Mower Deck Belt at Menards®

K-Force Kevlar Replacement Lawn Mower Deck Belt at Menards®

Craftsman Riding Mower | 917276020 | eReplacementParts.com

Craftsman Riding Mower | 917276020 | eReplacementParts.com

Craftsman Gt5000 Drive Belt Size Outlet Online, UP TO 67% OFF ...

Craftsman Gt5000 Drive Belt Size Outlet Online, UP TO 67% OFF ...

Craftsman 25.0 HP, 54

Craftsman 25.0 HP, 54" Mower | 917276101 | eReplacementParts.com

Belt replacement on mod. 917.276020 mower - Craftsman Riding ...

Belt replacement on mod. 917.276020 mower - Craftsman Riding ...

Husqvarna GT 200 (1995-06) Parts Diagram for Mower Deck

Husqvarna GT 200 (1995-06) Parts Diagram for Mower Deck

Craftsman 917276101 User Manual GARDEN TRACTOR Manuals And ...

Craftsman 917276101 User Manual GARDEN TRACTOR Manuals And ...

Help installing a 54 in deck GT500 | My Tractor Forum

Help installing a 54 in deck GT500 | My Tractor Forum

Cutter Deck Belt Fits Rally RE20H122, 960110172 Replaces 532174368 Mower |  eBay

Cutter Deck Belt Fits Rally RE20H122, 960110172 Replaces 532174368 Mower | eBay

Craftsman GT5000 Garden Lawn tractor - RonMowers

Craftsman GT5000 Garden Lawn tractor - RonMowers

54 in. Deck Drive Belt - CMXGZAM501064 | CRAFTSMAN

54 in. Deck Drive Belt - CMXGZAM501064 | CRAFTSMAN

SOLVED: belt diagram for model 917253725 sears tractor ...

SOLVED: belt diagram for model 917253725 sears tractor ...

54 in Deck Drive Belt | CRAFTSMAN

54 in Deck Drive Belt | CRAFTSMAN

Amazon.com : Arnold Craftsman 50-Inch Deck Belt for Riding ...

Amazon.com : Arnold Craftsman 50-Inch Deck Belt for Riding ...

Craftsman Lawn Tractor Wiring Schematic Mower Diagram ...

Craftsman Lawn Tractor Wiring Schematic Mower Diagram ...

Lawn Mower Deck Drive BELT for Sears Craftsman 24690 144959 265-938 9697 |  eBay

Lawn Mower Deck Drive BELT for Sears Craftsman 24690 144959 265-938 9697 | eBay

Sears Lawn Mower Belts Outlet, 51% OFF | www.hcb.cat

Sears Lawn Mower Belts Outlet, 51% OFF | www.hcb.cat

2004 Craftsman GT5000 V-Belts Removal & Replacement (Part 1 ...

2004 Craftsman GT5000 V-Belts Removal & Replacement (Part 1 ...

Craftsman 917276051 front-engine lawn tractor parts | Sears ...

Craftsman 917276051 front-engine lawn tractor parts | Sears ...

John Deere Mower Deck, 72 inch MOWER LIFT LINKAGE 2 3 4 5

John Deere Mower Deck, 72 inch MOWER LIFT LINKAGE 2 3 4 5

Gravely 40253 - Gravely 60

Gravely 40253 - Gravely 60" Deck for 4-Wheel Tractor MOWER ...

Drive Belt Install GT6000 Hydro Craftsman

Drive Belt Install GT6000 Hydro Craftsman

Craftsman Gt5000 Drive Belt Size Outlet Online, UP TO 67% OFF ...

Craftsman Gt5000 Drive Belt Size Outlet Online, UP TO 67% OFF ...

Craftsman Ride On Mower Drive Belt Top Sellers, 54% OFF | www ...

Craftsman Ride On Mower Drive Belt Top Sellers, 54% OFF | www ...

Belt Diagram For Craftsman 46 Riding Mower Online Sales, UP ...

Belt Diagram For Craftsman 46 Riding Mower Online Sales, UP ...

Craftsman GT 50

Craftsman GT 50" Deck Belt Upgrade! - YouTube

Belt Diagram For Craftsman 46 Riding Mower Online Sales, UP ...

Belt Diagram For Craftsman 46 Riding Mower Online Sales, UP ...

Just got this Craftsman GT5000 yesterday.

Just got this Craftsman GT5000 yesterday.

Craftsman 917276240 front-engine lawn tractor parts | Sears ...

Craftsman 917276240 front-engine lawn tractor parts | Sears ...

0 Response to "45 craftsman gt5000 mower deck belt diagram"

Post a Comment

Iklan Atas Artikel

Iklan Tengah Artikel 1

Iklan Tengah Artikel 2

Iklan Bawah Artikel